LGMG ???a?2???????°a?2?¨???| 2025 – Suspension system assy – G1201-2712011098
Category: 2025 > ???a?2???????°a?2?¨???| > MS25 > MS250WA34
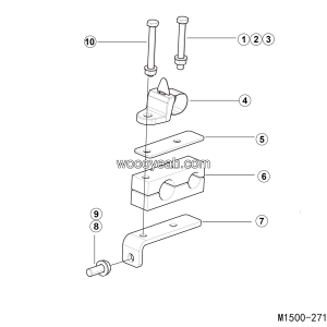
Parts List:
| No. | Part Name | Part Number | Qty |
|---|---|---|---|
| 1 | Front suspension assembly | 27120111001 | 1 |
| 2 | Suspension assembly | 27120111011 | 1 |
| 3 | Propelling rod assembly | 27120111021 | 1 |












