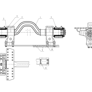
LGMG MT95H Mine Truck – Clutch assy – B0400-2704010177
Category: Mine Truck > MT95H > M095HWA98
Parts List:
| No. | Part Name | Part Number | Qty |
|---|---|---|---|
| 1 | Clamp | 26370001911 | 1 |
| 2 | Screw GB70.1-M10*30EpZn-8.8 | 4014000134 | 4 |
| 3 | Clutch cylinder | 4120001136 | 1 |
| 4 | Breathing cap | 4120001137 | 1 |
| 5 | Hose assembly | 27040101621 | 1 |
| 6 | Joint | 27040101651 | 2 |
| 7 | Washer JB982-14 | 4015000121 | 2 |
| 8 | Clutch main pump | 4120000140 | 1 |
| 9 | Hose LGB129-003450 | 4041010154 | 1 |
| 10 | Clutch assy | 4110002079 | 1 |
| 11 | Washer GB97.1-10EpZn-300HV | 4015000162 | 16 |
| 12 | STUD GB899-M10*90EpZn-8.8 | 4012000005 | 2 |
| 13 | Nut GB6170-M10EpZn-8 | 4013000007 | 2 |
| 14 | Bolt GB5782-M10*85EpZn-8.8 | 4011010016 | 10 |












