LGMG Off-Highway Dump Truck 2024 – Service brake assembly – J1001-2710012436.S1I
Category: 2024 > Off-Highway Dump Truck > MT106H > M106HW3A0M385
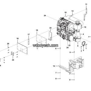
Parts List:
| No. | Part Name | Part Number | Qty |
|---|---|---|---|
| 1 | Nut GB6185.1-M16EpZn-10 | 4013010136 | 6 |
| 2 | Cable tie HS-J117 | 4130704969 | 17 |
| 3 | Bolt GB5782-M16*60EpZn-10.9 | 4011000607 | 2 |
| 4 | Asm | 27100122521 | 1 |
| 5 | Connecter | 27100114051 | 4 |
| 6 | Washer JB982-16 | 4015000141 | 6 |
| 7 | Combination joint LGB143-02213 | 4041001156 | 3 |
| 8 | Plate | 27100120621 | 1 |
| 9 | Washer GB97.1-10EpZn-300HV | 4015000162 | 21 |
| 10 | Nut GB6170-M10EpZn-8 | 4013000007 | 17 |
| 11 | Air pipe gpu-13-i-880-sg | 27100107441 | 2 |
| 12 | Relay valve installation assembly | 27100117441 | 1 |
| 13 | Bolt GB5782-M10*60EpZn-8.8 | 4011000050 | 3 |
| 14 | Bracket 1 | 27100103561 | 15 |
| 15 | Pipe bracket | 27100107393 | 1 |
| 16 | Bolt GB5783-M10*30EpZn-8.8 | 4011000084 | 4 |
| 17 | Brake air bundle assembly | 27100124371 | 1 |
| 18 | Installation assembly | 27100117051 | 1 |
| 19 | Bolt GB5783-M16*65EpZn-8.8 | 4011000421 | 1 |
| 20 | Plate | 27100122501 | 1 |
| 21 | Dryer assembly | 27100124961 | 1 |
| 22 | Combination joint LGB143-12213 | 4041001218 | 2 |
| 23 | Bolt GB5783-M16*65flZnyc-12.9-480 | 4011010552 | 2 |
| 24 | Bolt GB5783-M10*45EpZn-8.8 | 4011000514 | 9 |
| 25 | Bolt GB5783-M8*25EpZn-8.8 | 4011000106 | 17 |
| 26 | Washer GB97.1-8EpZn-300HV | 4015000072 | 18 |
| 27 | Washer JB982-12 | 4015000327 | 1 |
| 28 | Nut GB6170-M8EpZn-8 | 4013000033 | 18 |
| 29 | Bolt GB5783-M10*35EpZn-8.8 | 4011000085 | 2 |
| 30 | Joint m12-m12 | 27100104301 | 1 |
| 31 | Bolt GB5783-M8*30EpZn-8.8 | 4011000107 | 1 |
| 32 | Bolt GB5783-M10*60EpZn-8.8 | 4011010653 | 3 |
| 33 | Bracket assy | 27100135531 | 1 |
| 34 | Hose wrapped by steel wire-1250 | 27100125791 | 1 |
| 35 | CONNECTOR | 27100100661 | 2 |
| 36 | Nipple | 27100118011 | 2 |
| 37 | Break valve | 27100120631 | 1 |
| 38 | Sensor | 27100120641 | 1 |
| 39 | Sleeve installation | 27100128821 | 4 |
| 40 | Sleeve installation | 27100128831 | 2 |
| 41 | Grommet φ90*20 | 27100134771 | 1 |
| 42 | Rubber sleeve | 27100124781 | 1 |
| 43 | Plate | 27150118461 | 1 |
| 44 | Cable protector | 27140108701 | 1 |
| 45 | Bolt GB5782-M16*70EpZn-10.9 | 4011000824 | 3 |
| 46 | Bolt GB5782-M16*220EpZn-10.9 | 4011010960 | 2 |
| 47 | Washer GB97.1-16EpZn-300HV | 4015000181 | 6 |











