LGMG Off-Highway Dump Truck 2023 – Post-processing assembly – A2401-2724011064
Category: 2023 > Off-Highway Dump Truck > MT86HF > M0860W4A0M007
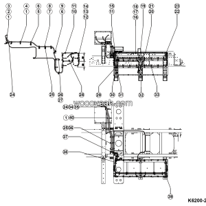
Parts List:
| No. | Part Name | Part Number | Qty |
|---|---|---|---|
| 1 | Tail pipe | 27240107691 | 1 |
| 2 | Support | 27240109961 | 1 |
| 3 | Plate | 27240103051 | 1 |
| 4 | Washer GB97.1-10EpZn-300HV | 4015000162 | 3 |
| 5 | Plate | 27240110001 | 1 |
| 6 | Buffer box | 4110702524 | 1 |
| 7 | Plate | 27240109801 | 1 |
| 8 | Plate | 27240109821 | 2 |
| 9 | Support | 27240109791 | 1 |
| 10 | Washer GB96.1-10EpZn-300HV | 4015000197 | 6 |
| 11 | Bolt GB5782-M10*75EpZn-8.8 | 4011000052 | 3 |
| 12 | Bolt GB5783-M10*35EpZn-8.8 | 4011000085 | 6 |
| 13 | Nut GB6187.1-M10EpZn-8 | 4013010338 | 6 |
| 14 | Welding | 27240109811 | 1 |
| 15 | Bolt GB5783-M10*30EpZn-8.8 | 4011000084 | 1 |
| 16 | Plate | 27010113352 | 3 |
| 17 | Bolt GB5783-M12*40EpZn-8.8 | 4011000091 | 6 |
| 18 | Washer GB96.1-12EpZn-300HV | 4015000186 | 6 |
| 19 | Nut GB6187.1-M12EpZn-8 | 4013010340 | 6 |
| 20 | Clamp | 4110000768 | 3 |
| 21 | Nut GB6170-M10EpZn-8 | 4013000007 | 11 |
| 22 | Exhaust pipe | 27240107221 | 1 |
| 23 | Outlet pipe Ⅰ | 4110702527 | 1 |
| 24 | Bolt GB5783-M14*45EpZn-8.8 | 4011000203 | 8 |
| 25 | Washer GB97.1-14EpZn-300HV | 4015000177 | 12 |
| 26 | Nut GB6185.1-M14EpZn-8 | 4013010121 | 4 |
| 27 | Bolt GB5783-M14*40EpZn-8.8 | 4011000814 | 4 |












