LGMG Off-Highway Dump Truck 2023 – ASM-Parking accumulator assy – J1101-2711010634.S1A
Category: 2023 > Off-Highway Dump Truck > EL100 > R1260Y3A0A601
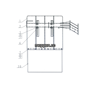
Parts List:
| No. | Part Name | Part Number | Qty |
|---|---|---|---|
| 1 | Tee CC-18 | 4190000997 | 1 |
| 2 | Joint GZ12LCF | 4120001437 | 1 |
| 3 | Straight joint 1CB-18-06WD | 4120001769 | 2 |
| 4 | Nipple | 23220000531 | 1 |
| 5 | Bracket | 27100110261 | 1 |
| 6 | Bracket | 27110104142 | 1 |
| 7 | Washer GB97.1-8EpZn-300HV | 4015000072 | 2 |
| 8 | Bolt GB5783-M8*25EpZn-8.8 | 4011000106 | 2 |
| 9 | Nut GB6170-M8EpZn-8 | 4013000033 | 2 |
| 10 | Accumulator NXQ-A-2.5/31.5-L-Y | 4120001987 | 1 |
| 11 | Accumulator clamp | 4120000736 | 1 |
| 12 | Gasket | 4120703204 | 1 |
| 13 | Check valve block | 4120001351 | 1 |












