LGMG Off-Highway Dump Truck 2023 – Rear leaf spring installation assy – G1205-2712010898
Category: 2023 > Off-Highway Dump Truck > MS40 > MS400W2E0M010
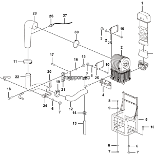
Parts List:
| No. | Part Name | Part Number | Qty |
|---|---|---|---|
| 1 | Bolt GB5782-M16*90flZnyc-12.9-480 | 4011010646 | 8 |
| 2 | Cushion block | 27120113681 | 4 |
| 3 | Frame bottom limit block | 4110705698 | 4 |
| 4 | Bolt GB5783-M10*35EpZn-8.8 | 4011000085 | 16 |
| 5 | Washer GB97.1-10EpZn-300HV | 4015000162 | 16 |
| 6 | Nut GB6185.1-M10EpZn-8 | 4013010119 | 16 |
| 7 | Nut GB6185.1-M14EpZn-8 | 4013010121 | 8 |
| 8 | Bolt GB5782-M14*120EpZn-8.8 | 4011000348 | 8 |
| 9 | Washer GB97.1-14EpZn-300HV | 4015000177 | 8 |
| 10 | Side limiting cushion block | 27120117571 | 4 |
| 11 | RR leaf spring assy | 4110002148 | 2 |
| 12 | Oriented plate | 27120109521 | 4 |
| 13 | Bolt GB5785-M14*1.5*80EpZn-8.8 | 4011000112 | 8 |
| 14 | Adjust spacer | 27120104011 | 4 |
| 15 | Adjust spacer | 27120103991 | 4 |
| 16 | Adjust spacer | 27120105011 | 4 |
| 17 | Bolt GB5786-M14*1.5*30-8.8 | 4011000903 | 8 |
| 18 | Balance shaft axle housing assembly | 27120103781 | 1 |
| 19 | STUD GB899-A-M18*1.5*50flZny-12.9-480 | 4012010119 | 36 |
| 20 | Nut GB6171-M18*1.5flZnyc-12-480 | 4013010257 | 36 |
| 21 | Washer gb1230-18-45 | 27120105414 | 36 |
| 22 | Rear spring U-bolt | 27120103831 | 8 |
| 23 | SPLIT PINGB91-8*80EPZN-Q235A | 4110702250 | 4 |
| 24 | Retaining ring | 27120115132 | 4 |
| 25 | Pin | 27120124161 | 4 |
| 26 | Six angle with the shoulder self-locking nut | 27120103841 | 16 |
| 27 | Guide pin | 27120103821 | 4 |
| 28 | Spring pressing block | 27120103851 | 2 |
| 29 | The limiting block supporting frame | 27120103962 | 4 |
| 30 | Washer GB1230-16EpZn-45 | 4015000001 | 16 |
| 31 | Bolt GB5782-M16*80flZnyc-12.9-480 | 4011010614 | 8 |
| 32 | Nut GB6185.1-M16flZnyc-12-480 | 4013010251 | 16 |











