LGMG MT86D Mine Truck – Parking brake assy 2 – J1101-2711010263002
Category: Mine Truck > MT86D > M086DWA93-G1
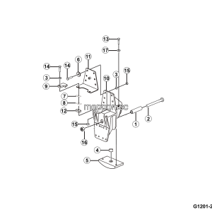
Parts List:
| No. | Part Name | Part Number | Qty |
|---|---|---|---|
| 1 | Bolt GB5783-M16*50EpZn-8.8 | 4011000269 | 1 |
| 2 | Bolt GB5783-M16*60EpZn-8.8 | 4011000594 | 1 |
| 3 | Plug NG12-M22*1.5 | 4120000201 | 1 |
| 4 | Bracket of reservior | 27110102721 | 1 |
| 5 | Washer GB97.1-16EpZn-300HV | 4015000181 | 2 |
| 6 | Nut GB6170-M16EpZn-8 | 4013000016 | 2 |
| 7 | Nut GB6170-M10EpZn-8 | 4013000007 | 21 |
| 8 | Washer GB97.1-10EpZn-300HV | 4015000162 | 17 |
| 9 | Bracket 1 | 27100103561 | 2 |
| 10 | Bolt GB5783-M10*40EpZn-8.8 | 4011000184 | 1 |
| 11 | Hose clamp φ246-φ250 | 4120000177 | 4 |
| 12 | CLAMP | 27110102381 | 4 |
| 13 | Bracket 2 | 27100108201 | 4 |
| 14 | Bolt GB5783-M10*45EpZn-8.8 | 4011000514 | 5 |
| 15 | Bolt GB5783-M10*25EpZn-8.8 | 4011000082 | 8 |
| 16 | Bracket 1 | 27100108191 | 4 |
| 17 | Two solenoid valve assy | 4120001139 | 1 |
| 18 | Elastic element NG8 | 4120000197 | 3 |
| 19 | Clip spring NG8 | 4120000196 | 3 |
| 20 | Nut seat NG8 | 4120000194 | 3 |
| 21 | Elastic element NG6 | 4120000211 | 3 |
| 22 | Air reservoir 30L(246) | 4120000143 | 2 |
| 23 | Clip spring NG6 | 4120000212 | 3 |
| 24 | Nut seat NG6 | 4120000213 | 3 |
| 25 | T-connector M14-M12-M14 | 27110101341 | 1 |
| 26 | Fagging | 27140101421 | 4 |
| 27 | Bolt GB5783-M10*30EpZn-8.8 | 4011000084 | 9 |
| 28 | Bracket of 30L reservior(246) | 27100106321 | 1 |
| 29 | Drain valve | 4120000200 | 2 |
| 30 | Elastic element NG12 | 4120000193 | 5 |
| 31 | Clip spring NG12 | 4120000192 | 5 |
| 32 | Nut seat NG12 | 4120000190 | 5 |
| 33 | Air reservoir fixed bracket assembly | 27110102612 | 1 |












