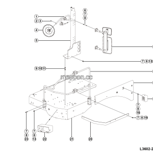
LGMG Off-Highway Dump Truck 2020 – Variable speed control assy – C0500-2705010827
Category: 2020 > Off-Highway Dump Truck > MTE105 > C1050WA03
Parts List:
| No. | Part Name | Part Number | Qty |
|---|---|---|---|
| 1 | Rocker selection | 27050108201 | 1 |
| 2 | Rubber sheath | 27130117501 | 2 |
| 3 | Screw GB818-M4*25EpZn-4.8 | 4014000008 | 4 |
| 4 | Plate | 27050107701 | 1 |
| 5 | Pipe clamp LGB167-0116 | 4041001132 | 1 |
| 6 | Cushion sleeve LGB123-0116 | 4041001252 | 1 |
| 7 | Bolt GB5783-M8*20EpZn-8.8 | 4011000105 | 1 |
| 8 | Plate | 27050108221 | 1 |
| 9 | Bolt GB5783-M8*35EpZn-8.8 | 4011000195 | 2 |
| 10 | Sealing sheath LGB346-3*30*28 | 4030100318 | 2 |
| 11 | Controller | 4110001321 | 1 |
| 12 | Plate | 27050108191 | 1 |
| 13 | Plate | 27050108211 | 1 |
| 14 | Bolt GB5783-M8*40EpZn-8.8 | 4011000299 | 5 |
| 15 | Washer GB97.1-8EpZn-300HV | 4015000072 | 8 |
| 16 | Nut GB889.1-M8EpZn-8 | 4013000210 | 8 |
| 17 | Dust cover | 4110000209 | 1 |
| 18 | Shift lever | 27050105631 | 1 |
| 19 | Transmission control lever | 27050105511 | 1 |
| 20 | Selecting flexible shaft 3050 | 4110703391 | 1 |
| 21 | Shifting flexible shaft 3100 | 4110703390 | 1 |











