LGMG Off-Highway Dump Truck 2021 – Frame assy – I1401-2714013935.S
Category: 2021 > Off-Highway Dump Truck > MT86D > M086DW3A0M102
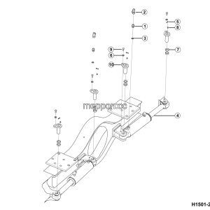
Parts List:
| No. | Part Name | Part Number | Qty |
|---|---|---|---|
| 1 | BOLT GB5785-M16*1.5*75EpZn-8.8 | 4011010461 | 2 |
| 2 | Right plate assembly | 27140139432 | 1 |
| 3 | Left connect plate assembly | 27140139412 | 1 |
| 4 | Bolt GB5786-M16*1.5*60flZnyc-12.9-480 | 4011010585 | 4 |
| 5 | Nut GB6185.2-M16*1.5flZnyc-12-480 | 4013010255 | 4 |
| 6 | Rear traction seat | 27140104822 | 1 |
| 7 | No longer used | 4016000106 | 1 |
| 8 | Pin | 27140105842 | 1 |
| 9 | First beam | 27140124852 | 1 |
| 10 | Frame | 27140139361 | 1 |
| 11 | Bolt GB5786-M16*1.5*55flZnyc-12.9-480 | 4011010640 | 6 |
| 12 | Washer GB97.1-16EpZn-300HV | 4015000181 | 10 |
| 13 | Bolt GB5786-M16*1.5*35flZnyc-12.9-480 | 4011010534 | 2 |
| 14 | Front pull hook | 27140119692 | 2 |
| 15 | Front guard | 27140139621 | 1 |
| 16 | Bolt GB5786-M16*1.5*45EpZn-8.8 | 4011000494 | 2 |
| 17 | Connecting rod | 27140119971 | 2 |
| 18 | Nut GB6185.2-M16*1.5EpZn-8 | 4013010168 | 2 |











