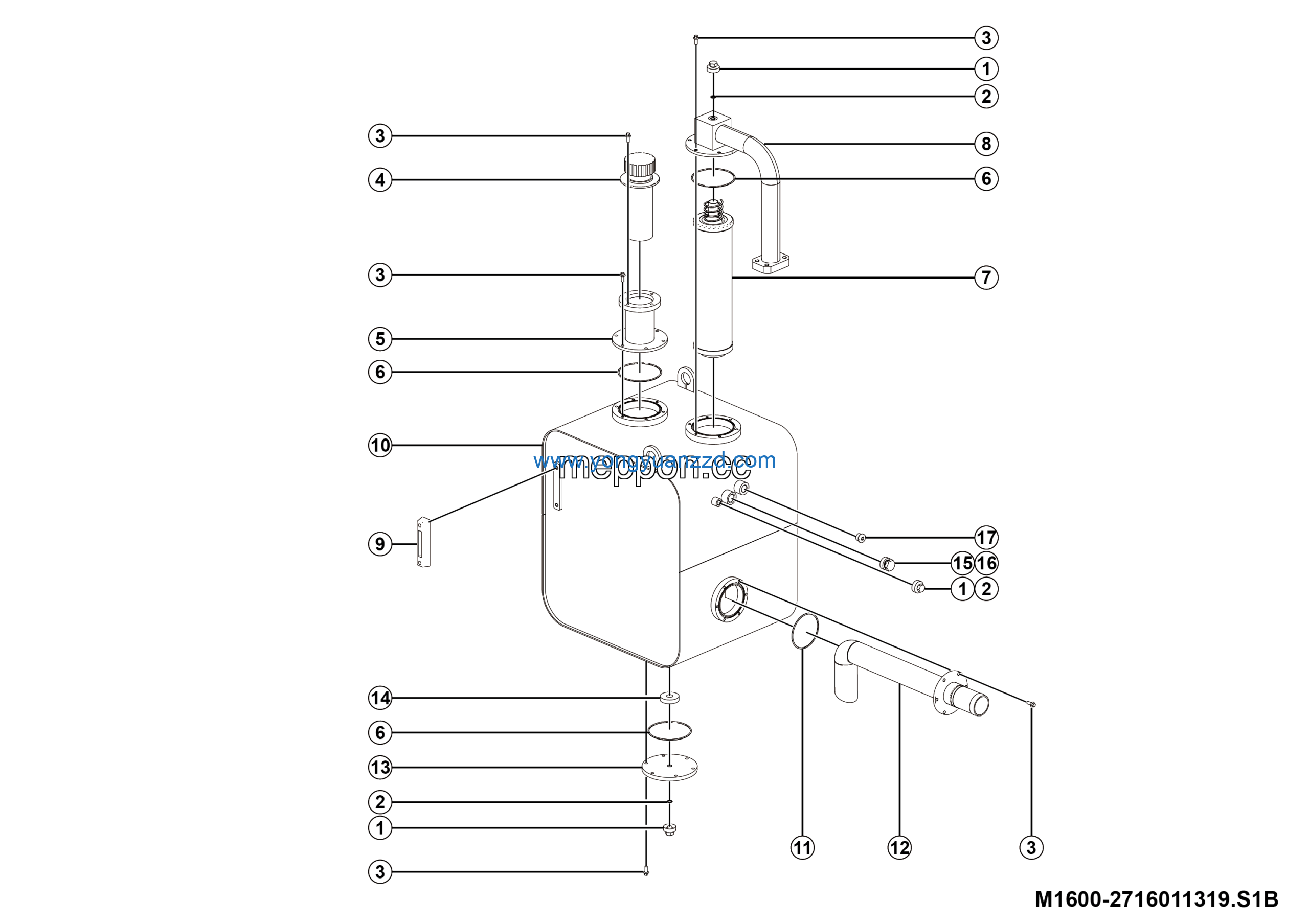
LGMG ???a?2???????°a?2?¨???| 2025 – Hydraulic oil tank assy – M1600-2716011319.S1B
Category: 2025 > ???a?2???????°a?2?¨???| > – > CS500W3E0A101
Parts List:
| No. | Part Name | Part Number | Qty |
|---|---|---|---|
| 1 | Hydraulic tank body | 27160113181 | 1 |
| 2 | O-ring GB3452.1-109*3.55G | 4030000619 | 1 |
| 3 | Flange assembly | 27160109001 | 1 |
| 4 | Oil drain flange cover | 27160105801 | 1 |
| 5 | Ring magnet LG03-CT58*20*13 | 4120000669 | 1 |
| 6 | Plug LGB135-02732 | 4041001057 | 1 |
| 7 | O-ring LGB168-12331 | 4041000779 | 1 |
| 8 | Plug 4MN-22WD | 4120002004 | 1 |
| 9 | Nut LGB135-01422 | 4041000774 | 3 |
| 10 | O-ring LGB168-11124 | 4041000767 | 3 |
| 11 | Bolt GB16674.1-M8*20EpZn-8.8 | 4011000458 | 28 |
| 12 | Refueling filter respirator | 4120000303 | 1 |
| 13 | Oil charging breather bracket | 27160106261 | 1 |
| 14 | O-ring GB3452.1-128*3.55G | 4030000633 | 3 |
| 15 | Oil return filter | 4120001743 | 1 |
| 16 | Flage assembly | 27160109021 | 1 |
| 17 | Liquid level gauge YWZ-127 | 4120000317 | 1 |












