LGMG 2020 Wosen Cab – Left plate assy – L1303-4190001098693
Category: Cab > 2020 Wosen > MT105 (Left-mounted)
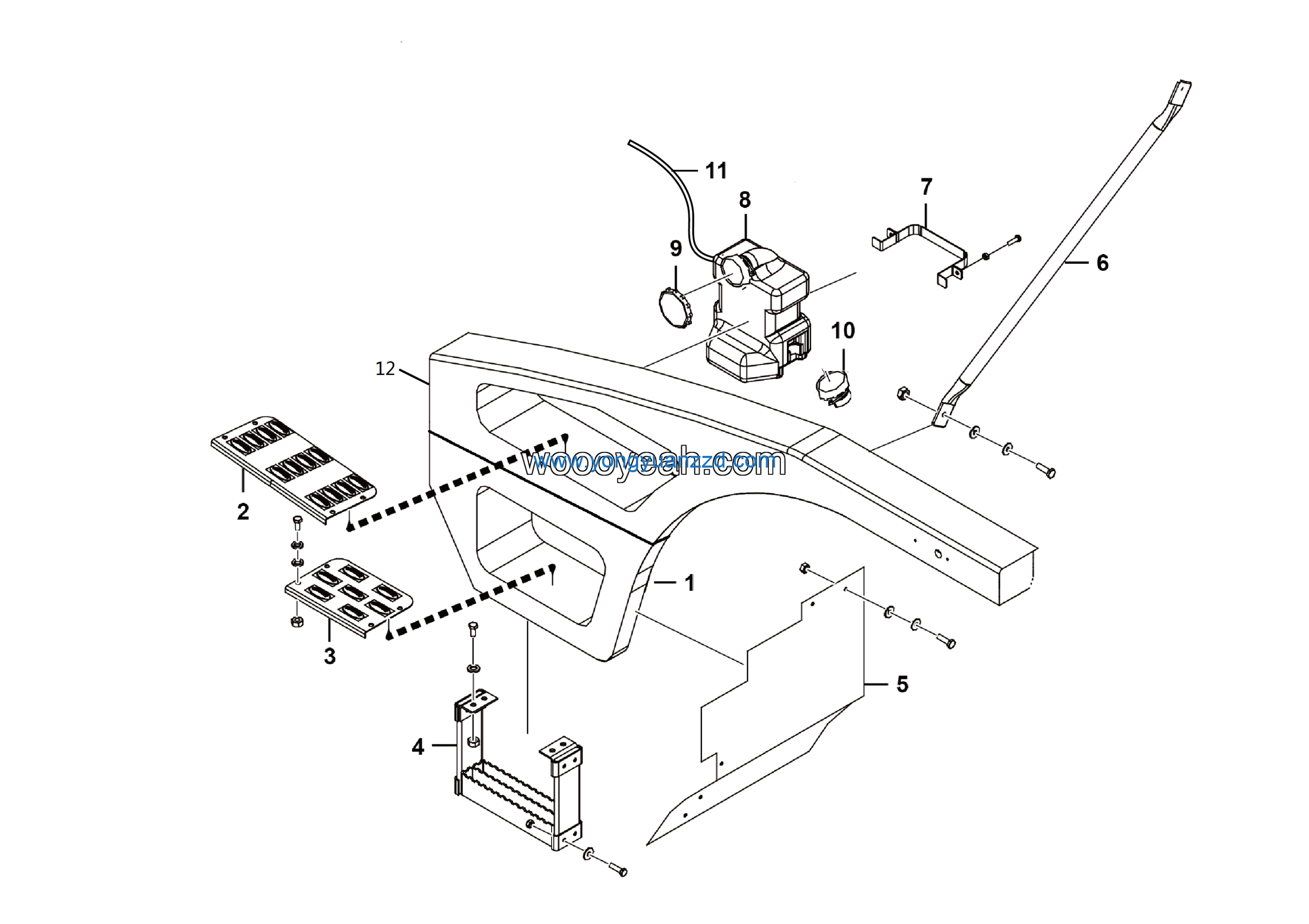
Parts List:
| No. | Part Name | Part Number | Qty |
|---|---|---|---|
| 1 | Spary can motor WS33002550316 | 4190001098721 | 1 |
| 2 | Scrubber water pipe WS33002550322 | 4190001098908 | 1 |
| 3 | LH side fender WS33002550362 | 4190001098905 | 1 |
| 4 | LH fender lower WS33002550363 | 4190001098906 | 1 |
| 5 | Step anti-skid plate Ⅰ assy WS33002550099 | 4190001098639 | 1 |
| 6 | Step anti-skid plate Ⅱ assy WS33002550100 | 4190001098640 | 1 |
| 7 | Flexible ladder assy WS33002550094 | 4190001098641 | 1 |
| 8 | LH fender assy WS33002550222 | 4190001098697 | 1 |
| 9 | Support rod assy WS33002550212 | 4190001098638 | 1 |
| 10 | Scrubber kettle bracket assy WS33002550095 | 4190001098699 | 1 |
| 11 | Scrubber kettle bracket assy WS33002550109 | 4190001098700 | 1 |
| 12 | Scrubber water box WS33002550223 | 4190001098701 | 1 |












