LGMG CMT65 Mine Truck – Absorber installation assy – G1201-2712011306.S
Category: Mine Truck > CMT65 > C0650HA00
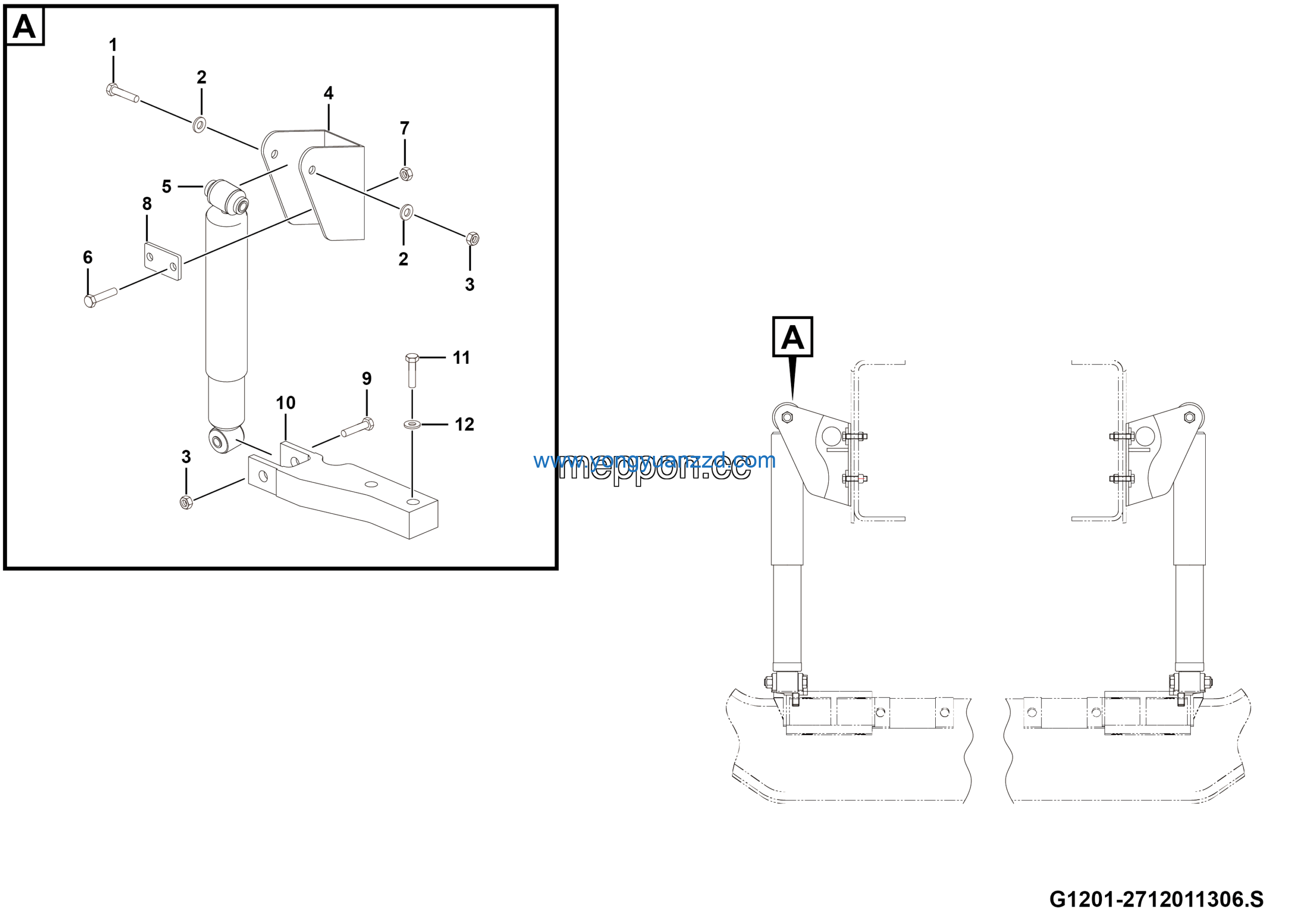
Parts List:
| No. | Part Name | Part Number | Qty |
|---|---|---|---|
| 1 | Shock absorber down bracket assembly | 27120104041 | 2 |
| 2 | Bolt GB5785-M16*1.5*70EpZn-8.8 | 4011000499 | 4 |
| 3 | Washer GB97.1-16EpZn-300HV | 4015000181 | 4 |
| 4 | Bolt GB5785-M16*1.5*130EpZn-10.9 | 4011010135 | 2 |
| 5 | No longer used | 4015000305 | 10 |
| 6 | No longer used | 4013010182 | 4 |
| 7 | Plank | 27120113071 | 2 |
| 8 | Shock absorber | 27120104171 | 2 |
| 9 | Bolt GB5782-M12*60EpZn-8.8 | 4011000260 | 8 |
| 10 | Nut GB6185.1-M12EpZn-8 | 4013010120 | 8 |
| 11 | Backing plate | 27120104202 | 4 |
| 12 | Bolt GB5785-M16*1.5*90EpZn-10.9 | 4011000879 | 2 |











