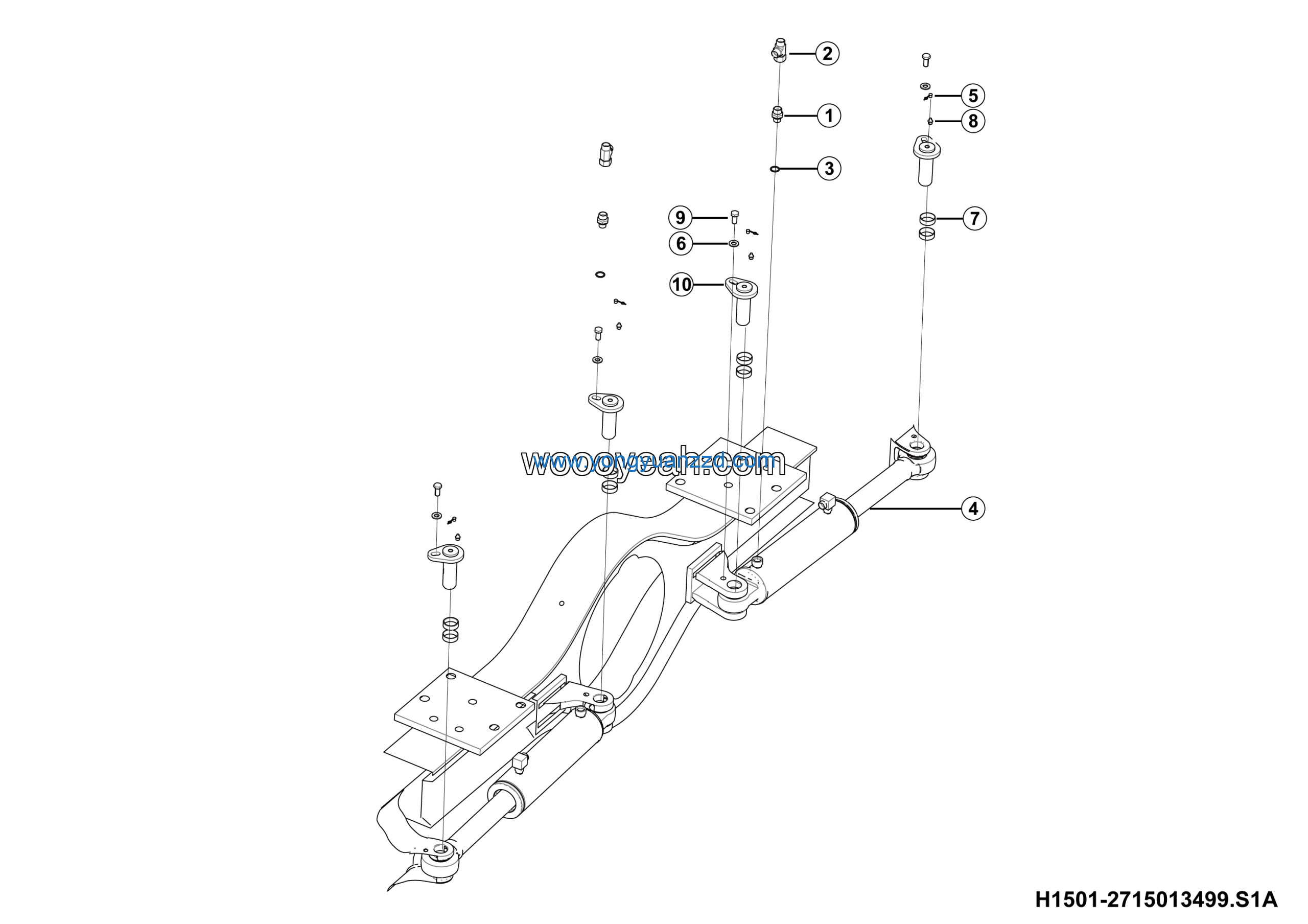
LGMG CMT66A 2025 – Steering cylinder assy – H1501-2715013499.S1A
Category: 2025 > CMT66A > C066AW3E0A013
Parts List:
| No. | Part Name | Part Number | Qty |
|---|---|---|---|
| 1 | Axis | 27150110951 | 4 |
| 2 | Straight joint LGB155-01822 | 4041000822 | 2 |
| 3 | Tee CC-22 | 4190001347 | 2 |
| 4 | O-ring GB3452.1-19.0*2.65G | 4030000280 | 2 |
| 5 | Steering cylinder D90*D55*262ST/673CL | 4120712915 | 2 |
| 6 | Butter nozzle cap JXHF-00006 | 4120000015 | 4 |
| 7 | Washer GB1230-12EpZn-45 | 4015000288 | 4 |
| 8 | Sleeve | 27150109951 | 8 |
| 9 | Grease nipple JB7940.1-M10*1 | 4030000065 | 4 |
| 10 | Bolt GB5783-M12*25EpZn-8.8 | 4011000197 | 4 |











