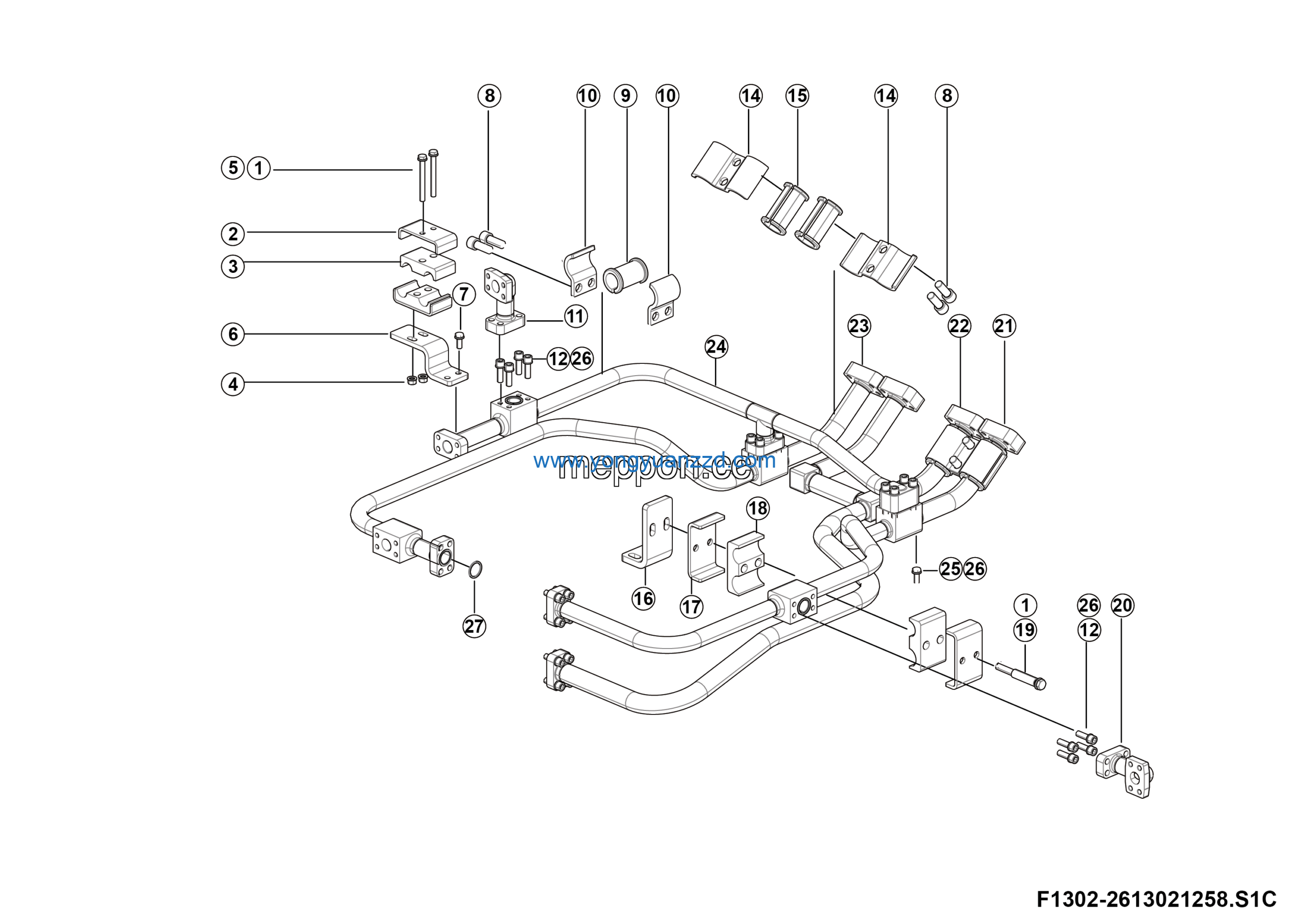
LGMG Hydraulic excavator 2025 – Main valve to boom cylinder lines – F1302-2613021258.S1C
Category: 2025 > Hydraulic excavator > ME130-1 > E13000P3A005
Parts List:
| No. | Part Name | Part Number | Qty |
|---|---|---|---|
| 1 | Pipe clamp | 26130205251 | 2 |
| 2 | Pipe wldmt | 26130210311 | 1 |
| 3 | Screw GB70.1-M14*45flZnyc-10.9-480 | 4014010290 | 24 |
| 4 | Clamp | 26130001311 | 4 |
| 5 | Rubber sleeve | 26130000381 | 4 |
| 6 | Block | 26130209611 | 1 |
| 7 | Plate | 26130203721 | 2 |
| 8 | Rubber pipe clamp | 26130203711 | 2 |
| 9 | Pipe | 26160000721 | 4 |
| 10 | Bolt GB5782-M16*150flZnyc-12.9-480 | 4011010668 | 4 |
| 11 | Pipe | 26130203971 | 1 |
| 12 | Pipe wldmt (main valve ab port-boom cyl rod end chamber) | 26130210322 | 1 |
| 13 | Pipe | 26130203642 | 1 |
| 14 | Pipe wldmt (main valve port ab2-boom cyl blind end chamber) | 26130212622 | 1 |
| 15 | Flow combining pipe wldmt (main valve to boom cyl blind end chamber) | 26130212651 | 1 |
| 16 | Screw GB70.1-M14*70flZnyc-10.9-480 | 4014010293 | 4 |
| 17 | Washer GB848-14flZnyc-300HV-480 | 4015010343 | 28 |
| 18 | RECT O-ring | 4190707659 | 7 |
| 19 | Bent plate 176*90*43 | 26130210251 | 2 |
| 20 | Rubber pipe clamp | 26130210241 | 2 |
| 21 | Nut GB6170-M16flZnyc-12-480 | 4013010254 | 4 |
| 22 | Washer GB97.1-16flZnyc-300HV-480 | 4015010287 | 12 |
| 23 | Bracket wldmt | 26130210271 | 1 |
| 24 | Bolt GB5783-M16*40flZnyc-12.9-480 | 4011010676 | 4 |
| 25 | Screw GB70.1-M20*50flZnyc-10.9-480 | 4014010289 | 6 |
| 26 | Rubber sleeve | 26130205261 | 1 |












