LGMG Mine Truck 2026 – Bdu holder assy – K2001-2720019343.S1B
Category: 2026 > Mine Truck > MTH126M > C1260Y3A0A207
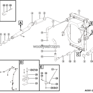
Parts List:
| No. | Part Name | Part Number | Qty |
|---|---|---|---|
| 1 | Hold-down strip 380*35*6 | 27200188561 | 8 |
| 2 | Hold-down strip 600*35*6 | 27200188851 | 2 |
| 3 | Hold-down strip 1000*35*6 | 27200188861 | 2 |
| 4 | Bolt GB16674.1-M10*25flZnyc-8.8-480 | 4011011015 | 56 |
| 5 | Bdu holder wldmt | 27200193442 | 1 |
| 6 | Fr guard wldmt | 27200193561 | 1 |
| 7 | Fr guard wldmt | 27200193582 | 1 |
| 8 | Upr guard wldmt | 27200193522 | 1 |
| 9 | Rh guard wldmt | 27200192401 | 2 |
| 10 | Nut GB889.1-M6flznyc-8-480 | 4013010300 | 8 |
| 11 | Cabinet lock | 27360154881 | 1 |
| 12 | Hinge | 27360154891 | 2 |
| 13 | Lock cover plate 426*166*15 | 27200187231 | 1 |











