LGMG MS40 Mine Truck – Transmission assy – C0500-2705010697
Category: Mine Truck > MS40 > MS400WE11
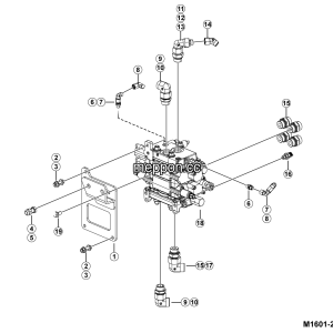
Parts List:
| No. | Part Name | Part Number | Qty |
|---|---|---|---|
| 1 | VARIABLE SPEED CONTROL ASSEMBLY | 27050103521 | 1 |
| 2 | STUD | 4110001449 | 12 |
| 3 | Washer GB97.1-10EpZn-300HV | 4015000162 | 12 |
| 4 | Nut GB6170-M10EpZn-8 | 4013000007 | 12 |
| 5 | Transmission box assy 7DS200 | 4110702254 | 1 |
| 6 | Transmission anchorage assembly | 27050105211 | 1 |












