LGMG MT50 2025 – Exhaust & heating sys – A2401-2724011394.S1C
Category: 2025 > MT50 > M0500Y3E0M301
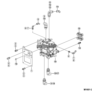
Parts List:
| No. | Part Name | Part Number | Qty |
|---|---|---|---|
| 1 | Bolt GB16674.1-M12*40EpZn-8.8 | 4011000320 | 6 |
| 2 | Exhaust pipe wldmt | 27240113951 | 1 |
| 3 | Exhaust brake butterfly valve | 4110001352 | 1 |
| 4 | Connecting pipe | 27240111641 | 1 |
| 5 | FI*ED BRACKET | 27240101142 | 1 |
| 6 | U-BOLT | 27240101171 | 1 |
| 7 | Washer GB97.1-16EpZn-300HV | 4015000181 | 2 |
| 8 | Nut GB6170-M16EpZn-10 | 4013000205 | 4 |
| 9 | Bolt GB16674.1-M10*110EpZn-8.8 | 4011000532 | 4 |
| 10 | Bolt GB16674.1-M10*30EpZn-8.8 | 4011000475 | 6 |
| 11 | Bracket | 27240102911 | 1 |
| 12 | Turbocharger insulation cotton lg24-gr-003 | 4190709770 | 1 |
| 13 | Turbocharger heat insulation grm-lg-yc6mk340 | 4190713136 | 1 |
| 14 | Exhaust pipe heat insulation grm-lg-p10 | 4190716932 | 1 |
| 15 | Bracket | 27240102891 | 1 |
| 16 | Clamp | 4110000768 | 2 |
| 17 | Exhaust tail pipe | 4190003588 | 1 |
| 18 | Bolt GB5782-M10*70EpZn-8.8 | 4011000051 | 2 |
| 19 | Nut GB6187.1-M10EpZn-8 | 4013010338 | 6 |
| 20 | Bolt GB16674.1-M12*45EpZn-8.8 | 4011000467 | 4 |
| 21 | Nut GB6187.1-M12EpZn-8 | 4013010340 | 10 |
| 22 | Exhaust conversion box | 4110702922 | 1 |












