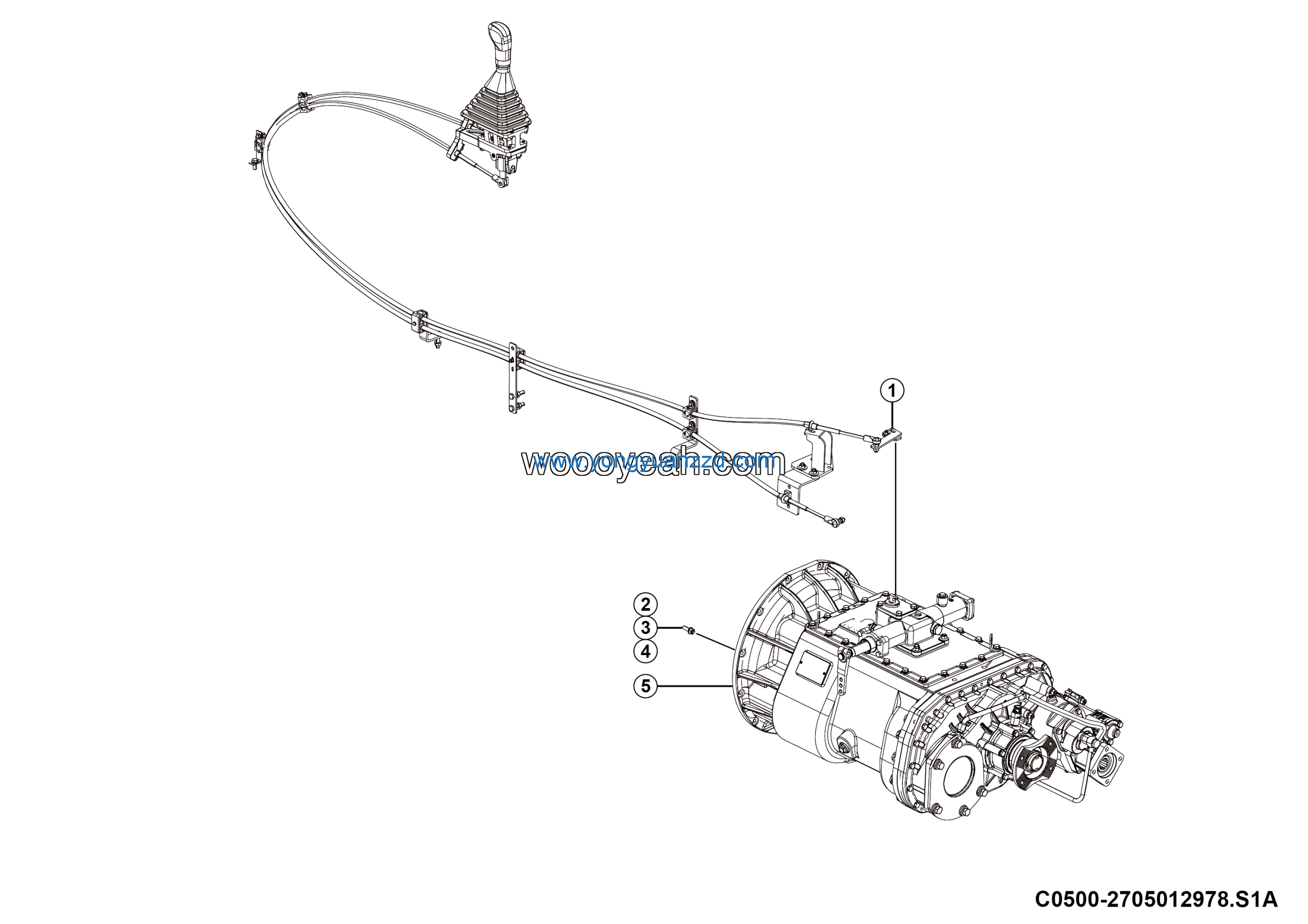
LGMG MT50 2025 – Transmission installation – C0500-2705012978.S1A
Category: 2025 > MT50 > M0500Y3E0M401
Parts List:
| No. | Part Name | Part Number | Qty |
|---|---|---|---|
| 1 | Shift control installation | 27050124561 | 1 |
| 2 | STUD GB899-M10*45EpZn-8.8 | 4012010201 | 12 |
| 3 | Nut GB6170-M10EpZn-8 | 4013000007 | 12 |
| 4 | Washer GB97.1-10EpZn-300HV | 4015000162 | 12 |
| 5 | Transmission assy 7ds180+qh70 | 4110710339 | 1 |













