LGMG Off-Highway Dump Truck 2021 – Steering assy – H1500-2715011592
Category: 2021 > Off-Highway Dump Truck > MT105 > M1050WA15
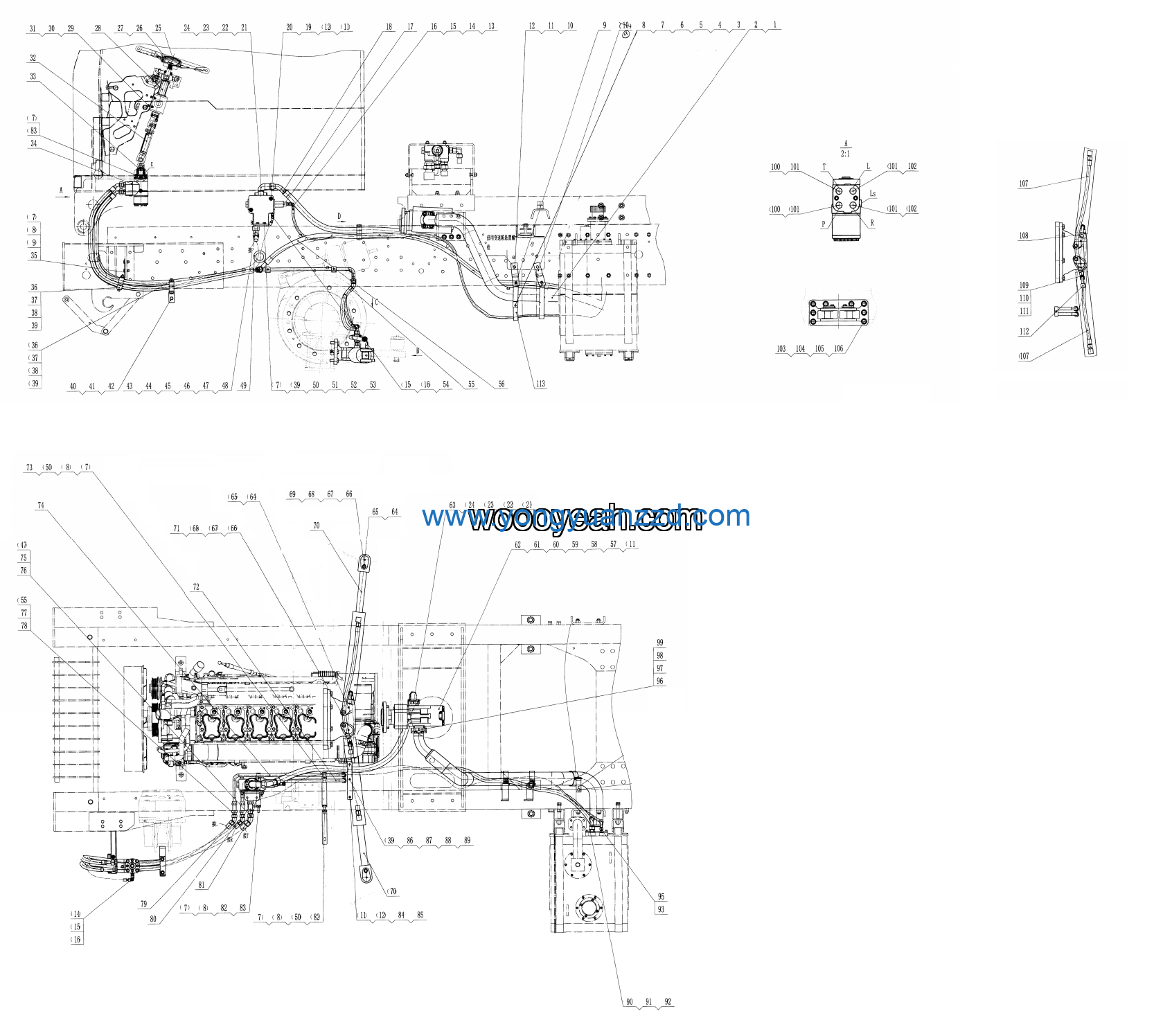
Parts List:
| No. | Part Name | Part Number | Qty |
|---|---|---|---|
| 1 | Straight joint LGB120-02220 | 4041000132 | 2 |
| 2 | Steering cylinder base | 27150110001 | 1 |
| 3 | Shaft | 27150106671 | 1 |
| 4 | Bolt GB5783-M16*45EpZn-10.9 | 4011000564 | 8 |
| 5 | Washer 16 | 27150105312 | 8 |
| 6 | Hose LGB127-006075 | 4041000699 | 2 |
| 7 | Hose LGB128-006085 | 4041000525 | 1 |
| 8 | Tee CC-22 | 4190001347 | 2 |
| 9 | Straight joint LGB155-01822 | 4041000822 | 2 |
| 10 | O-ring GB3452.1-19.0*2.65G | 4030000280 | 2 |
| 11 | Bracket | 27150112142 | 1 |
| 12 | Hose LGB129-006057 | 4041010172 | 1 |
| 13 | No longer used | 4041010220 | 1 |
| 14 | Washer GB97.1-12EpZn-300HV | 4015000168 | 7 |
| 15 | Nut GB6170-M12EpZn-8 | 4013000011 | 3 |
| 16 | Hose LGB165-003290 | 4041010227 | 1 |
| 17 | Combination joint LGB143-01406 | 4041001047 | 2 |
| 18 | Straight joint LGB120-01412 | 4041000131 | 3 |
| 19 | O-ring LGB168-10924 | 4041000784 | 3 |
| 20 | Priority valve VLH-240 | 4120001528 | 1 |
| 21 | Hose-1350 | 27150111511 | 1 |
| 22 | Plate | 27150109921 | 1 |
| 23 | BACKDOOR STOP | 27150113432 | 1 |
| 24 | Bolt GB5782-M12*110EpZn-8.8 | 4011000262 | 2 |
| 25 | Flange fittings | 27150109871 | 2 |
| 26 | O-ring GB3452.1-37.5*3.55G | 4030000029 | 2 |
| 27 | Split flange LGB117-312551 | 4041000027 | 2 |
| 28 | Bolt GB16674.1-M10*30EpZn-8.8 | 4011000475 | 8 |
| 29 | Steering wheel 430 | 4120001247 | 1 |
| 30 | Nut GB6173-M22*1.5EpZn-05 | 4013000152 | 1 |
| 31 | Washer GB97.1-22EpZn-300HV | 4015000184 | 1 |
| 32 | Directional column | 4120001388 | 1 |
| 33 | Bolt GB5783-M8*30EpZn-8.8 | 4011000107 | 4 |
| 34 | Hose clamp JB8870-D90 | 4017000013 | 4 |
| 35 | Washer GB96.1-8EpZn-300HV | 4015000256 | 4 |
| 36 | Nut GB6170-M8EpZn-8 | 4013000033 | 4 |
| 37 | Steering transmission shaft | 4120001108 | 1 |
| 38 | Bracket assy | 4120001109 | 1 |
| 39 | Steering gear | 4120000719 | 1 |
| 40 | Bracket | 27150112531 | 1 |
| 41 | Cover plate | 27150110571 | 4 |
| 42 | Block | 27150108321 | 4 |
| 43 | Bolt GB16674.1-M10*85EpZn-8.8 | 4011000136 | 4 |
| 44 | Nut GB6185.1-M10EpZn-8 | 4013010119 | 8 |
| 45 | Clamp | 27150112191 | 2 |
| 46 | Bracket | 27150109931 | 1 |
| 47 | Bolt GB5783-M16*30EpZn-8.8 | 4011000094 | 1 |
| 48 | Washer GB97.1-16EpZn-300HV | 4015000181 | 1 |
| 49 | Straight joint 33-26 | 27150109941 | 1 |
| 50 | O-ring LGB168-12931 | 4041000765 | 1 |
| 51 | Nipple | 27150108001 | 1 |
| 52 | Plug 4BN-04WD | 4190001419 | 1 |
| 53 | Combination joint LGB143-12616 | 4041001417 | 2 |
| 54 | Hose LGB129-010197 | 4041010343 | 1 |
| 55 | String casing | 27140105021 | 1 |
| 56 | Cushion | 27160108711 | 1 |
| 57 | Bolt GB5783-M10*50EpZn-8.8 | 4011000489 | 5 |
| 58 | Shim | 27150111481 | 1 |
| 59 | Shim | 27150111491 | 1 |
| 60 | Shim | 27150111501 | 1 |
| 61 | Hose LGB126-003237 | 4041010342 | 1 |
| 62 | Combination joint LGB143-12213 | 4041001218 | 4 |
| 63 | Hose LGB165-010275 | 4041010371 | 1 |
| 64 | Gear pump JHP2080/2040 | 4120001392 | 1 |
| 65 | Gasket | 29110000043 | 1 |
| 66 | Bolt GB5783-M12*35-10.9 | 4011010491 | 4 |
| 67 | Cushion sleeve LGB123-1060 | 4041000866 | 1 |
| 68 | Screw GB70.1-M8*25EpZn-12.9 | 4014010141 | 8 |
| 69 | CARGO TANK ASSEMBLY | 27150113721 | 1 |
| 70 | JOINT LGB143-03625 | 4041001211 | 1 |
| 71 | Grease nipple JB7940.1-M10*1 | 4030000065 | 4 |
| 72 | Butter nozzle cap JXHF-00006 | 4120000015 | 4 |
| 73 | Sleeve | 27150109951 | 4 |
| 74 | Bolt GB5783-M12*25EpZn-8.8 | 4011000197 | 4 |
| 75 | Washer GB1230-12EpZn-45 | 4015000288 | 4 |
| 76 | Axis | 27150110951 | 2 |
| 77 | Steering cylinder HSGL-80*45*390-700 | 4120001483 | 2 |
| 78 | Bolt GB5783-M10*25EpZn-8.8 | 4011000082 | 1 |
| 79 | Axis | 27150109901 | 2 |
| 80 | Right steering pipe | 27150109101 | 1 |
| 81 | Hold-down block | 27150106471 | 4 |
| 82 | Left steering pipe | 27150113781 | 1 |
| 83 | Bulkhead joint M26 | 27150109061 | 1 |
| 84 | Nut | 27150103221 | 1 |
| 85 | Clapboard joint | 27150109051 | 2 |
| 86 | NUT | 27150102951 | 2 |
| 87 | Hose LGB129-006165 | 4041010168 | 1 |
| 88 | Hose LGB129-006162 | 4041010338 | 1 |
| 89 | Washer GB97.1-10EpZn-300HV | 4015000162 | 14 |
| 90 | Hose LGB166-010175 | 4041010200 | 1 |
| 91 | Bracket | 27150109041 | 3 |
| 92 | Bolt GB5783-M10*40EpZn-8.8 | 4011000184 | 5 |
| 93 | Plate | 27150109971 | 1 |
| 94 | Bolt GB5783-M12*50EpZn-8.8 | 4011000092 | 1 |
| 95 | Plate | 27150109961 | 2 |
| 96 | Rubber clip | 27150109981 | 1 |
| 97 | Rubber clip | 27150109991 | 1 |
| 98 | Bolt GB5782-M10*100EpZn-8.8 | 4011000817 | 2 |
| 99 | Straight joint LGB120-02628 | 4041000796 | 1 |
| 100 | Nut GB6170-M10EpZn-8 | 4013000007 | 8 |
| 101 | O-ring LGB168-12331 | 4041000779 | 1 |
| 102 | Combination joint LGB143-02616 | 4041001006 | 1 |
| 103 | Straight joint LGB120-01414 | 4041000133 | 1 |
| 104 | O-ring LGB168-11124 | 4041000767 | 1 |
| 105 | Pipe | 27160110101 | 1 |
| 106 | O-ring GB3452.1-56.0*3.55G | 4030000133 | 1 |
| 107 | Split flange LGB117-320760 | 4041000009 | 1 |
| 108 | Bolt GB16674.1-M12*35EpZn-8.8 | 4011000477 | 4 |
| 109 | Straight joint LGB120-02620 | 4041000564 | 2 |
| 110 | O-ring LGB168-11724 | 4041000783 | 4 |
| 111 | Bolt GB5783-M10*30EpZn-8.8 | 4011000084 | 3 |












