LGMG Off-Highway Dump Truck 2022 – Cab electrical module – K2001-2720013494.S1A
Category: 2022 > Off-Highway Dump Truck > MT86M > M086MW3E0M001
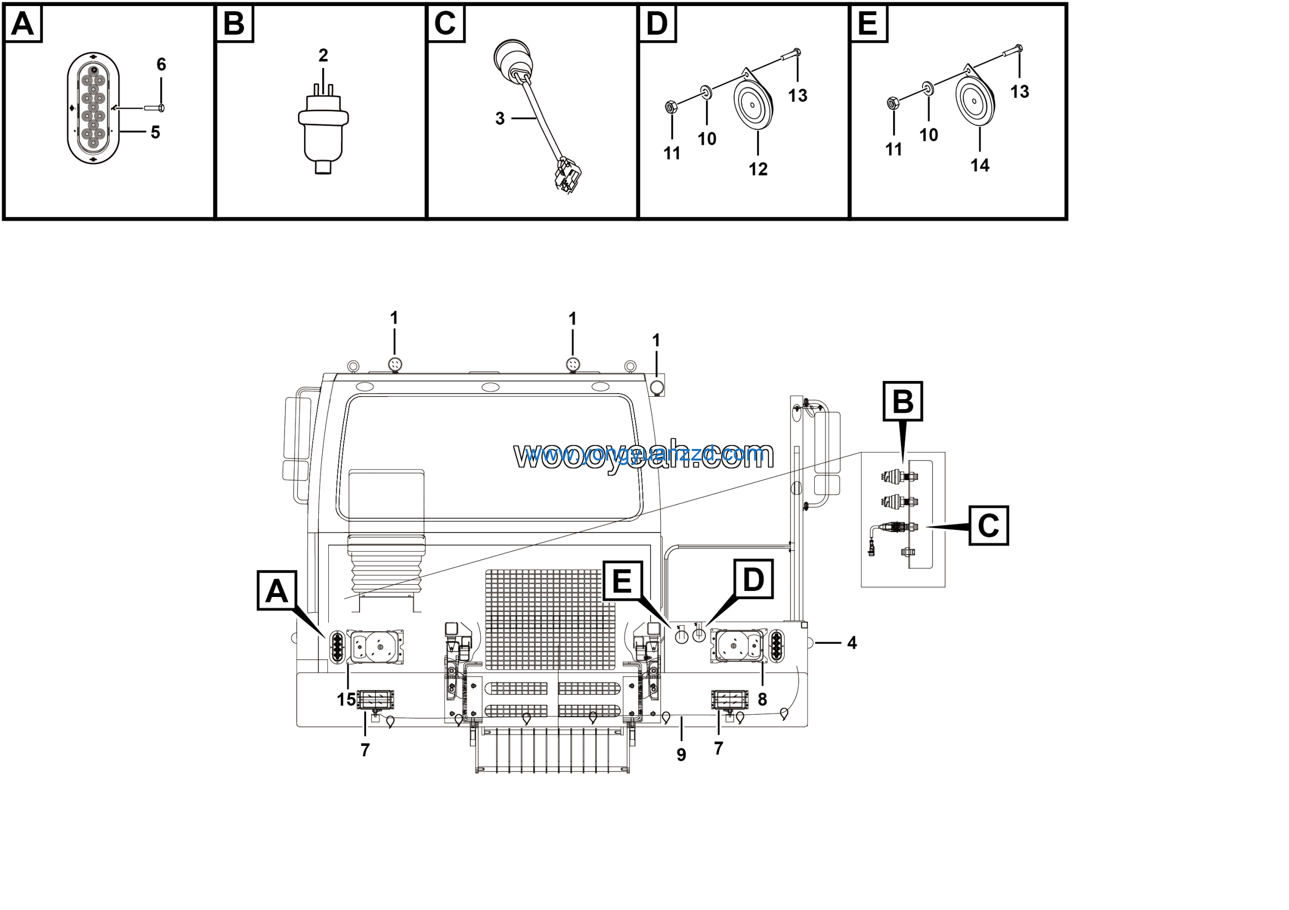
Parts List:
| No. | Part Name | Part Number | Qty |
|---|---|---|---|
| 1 | Washer GB97.1-8EpZn-300HV | 4015000072 | 4 |
| 2 | Nut GB6170-M8EpZn-8 | 4013000033 | 4 |
| 3 | Monophonic disc woofer | 4130000906 | 1 |
| 4 | Bolt GB5783-M8*25EpZn-8.8 | 4011000106 | 4 |
| 5 | Monophonic disc wooFer(treble) | 4130000907 | 1 |
| 6 | FR headlamp(RH) | 4130000250 | 1 |
| 7 | LED RR work lamp | 4130701736 | 3 |
| 8 | Air pressure sensor YG2221SLN | 4130000990 | 2 |
| 9 | Stop lamp switch YK209KLA | 4130000492 | 1 |
| 10 | Side steering lamp 43-3001A | 4130000343 | 2 |
| 11 | LED FR steering lamp | 4130000252 | 2 |
| 12 | Bolt GB16674.1-M5*16EpZn-8.8 | 4011010372 | 8 |
| 13 | LED Fog lamp SM6053(three pin plug) | 4130000921 | 2 |
| 14 | FR headlamp(LH) | 4130000249 | 1 |
| 15 | Before the foglight wiring harness | 27200106011 | 1 |












