LGMG Off-Highway Dump Truck 2022 – Engine electric system assy – K3403-2734010075.S2C

Category:

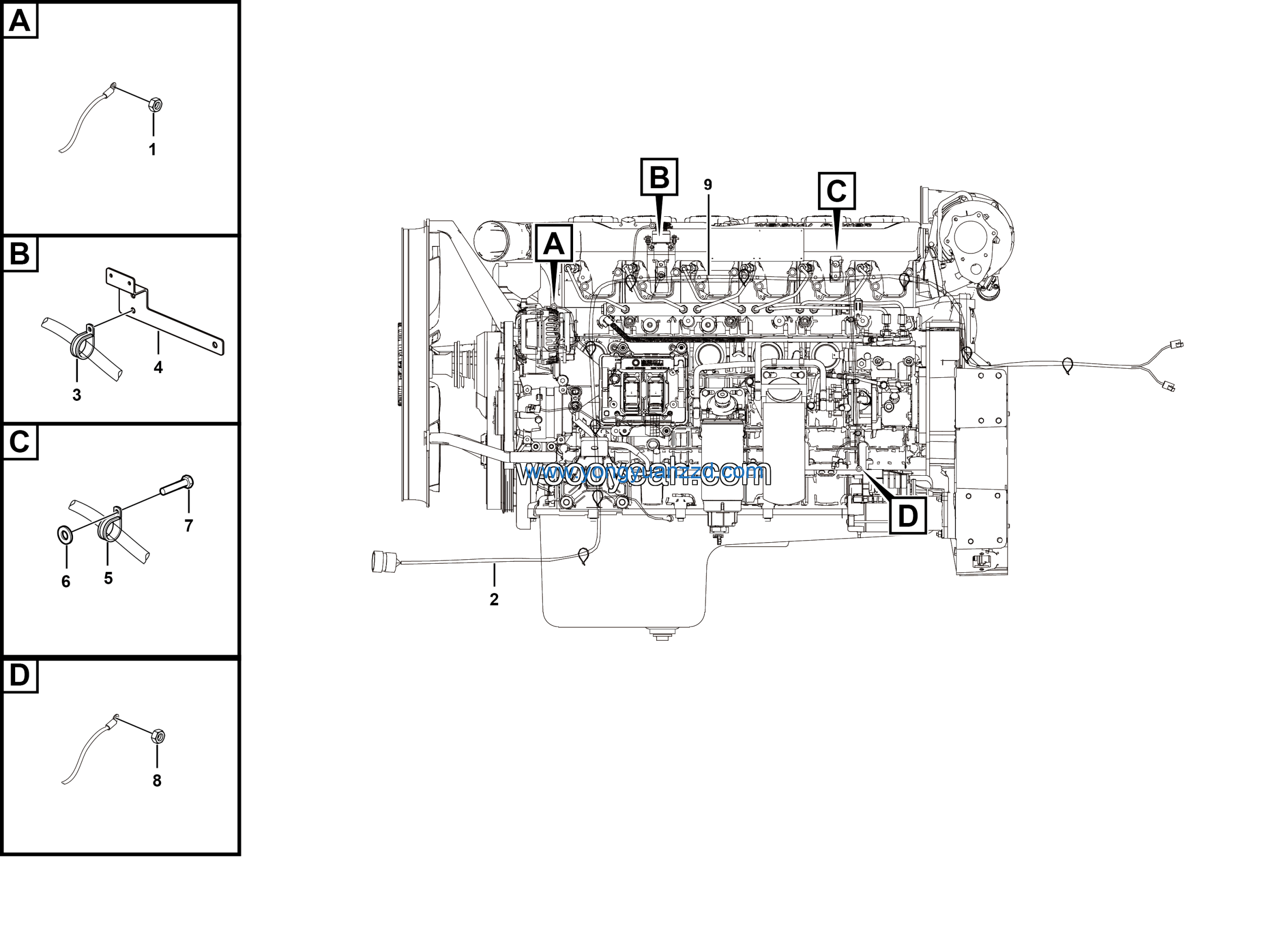
LGMG Off-Highway Dump Truck 2022 – Engine electric system assy – K3403-2734010075.S2C

Category: 2022 > Off-Highway Dump Truck > MT96L > M096LW3A0M110

Parts List:

No. Part Name Part Number Qty
1 Nut GB6170-M8EpZn-8 4013000033 1
2 Wire 27340100863 1
3 Pipe clamp 26370001921 1
4 Plate 27340101481 1
5 Clamp 26370001911 1
6 Washer GB97.1-8EpZn-300HV 4015000072 1
7 Bolt GB5783-M8*16EpZn-8.8 4011000102 3
8 Nut GB6170-M10EpZn-8 4013000007 2
9 Engine wiring harness fixed system 27340101511 1