LGMG Off-Highway Dump Truck 2022 – Engine electric system assy – K3404-2734010075.S2C
Category: 2022 > Off-Highway Dump Truck > MT96L > M096LW3A0M106-3
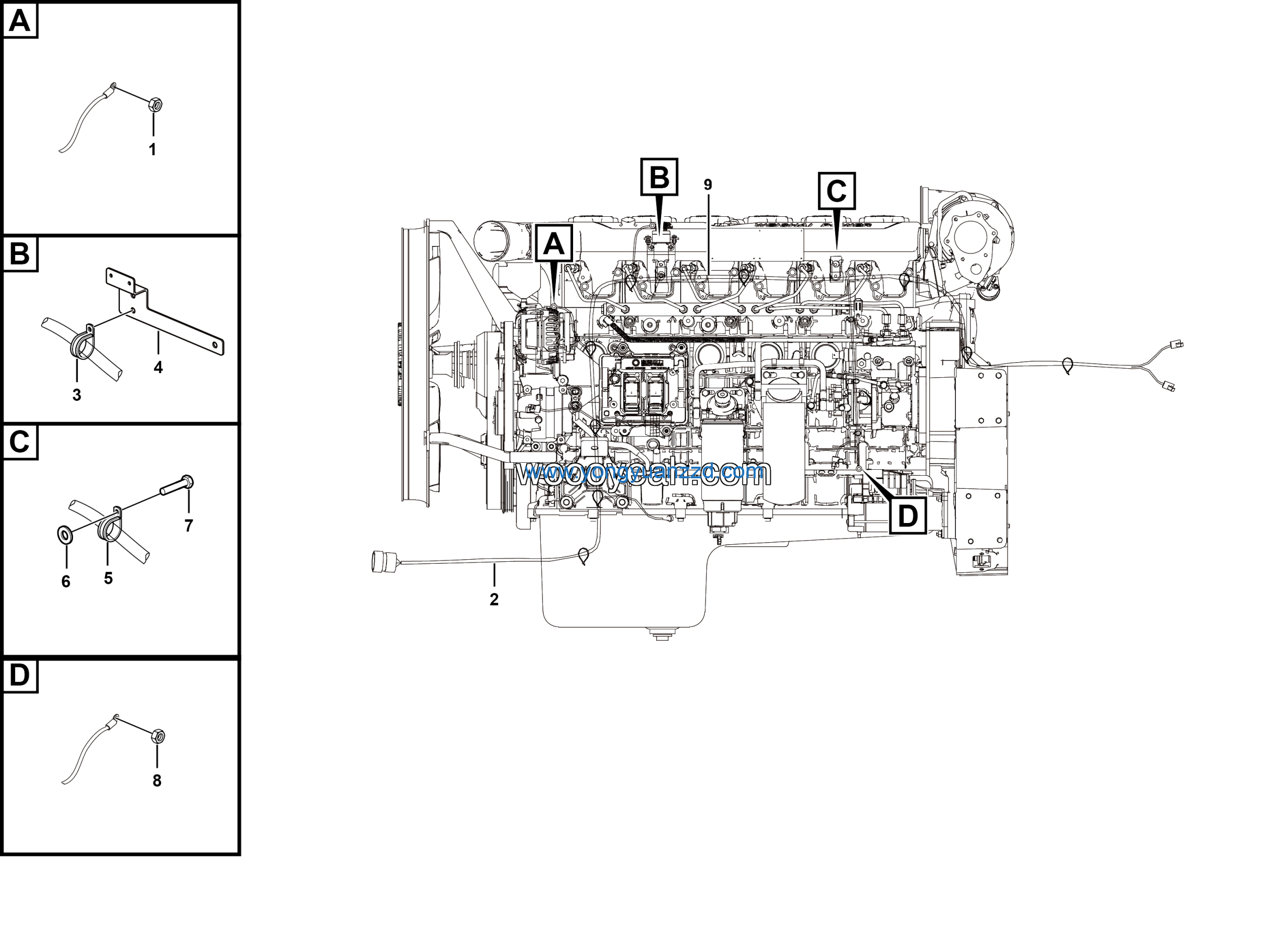
Parts List:
| No. | Part Name | Part Number | Qty |
|---|---|---|---|
| 1 | Nut GB6170-M8EpZn-8 | 4013000033 | 1 |
| 2 | Wire | 27340100863 | 1 |
| 3 | Pipe clamp | 26370001921 | 1 |
| 4 | Plate | 27340101481 | 1 |
| 5 | Clamp | 26370001911 | 1 |
| 6 | Washer GB97.1-8EpZn-300HV | 4015000072 | 1 |
| 7 | Bolt GB5783-M8*16EpZn-8.8 | 4011000102 | 3 |
| 8 | Nut GB6170-M10EpZn-8 | 4013000007 | 2 |
| 9 | Engine wiring harness fixed system | 27340101511 | 1 |











