LGMG Off-Highway Dump Truck 2022 – Maintenance-free equalizing type suspension assy LG12-136 – G1200-4110705342
Category: 2022 > Off-Highway Dump Truck > MT96H > M096HW3A0M016
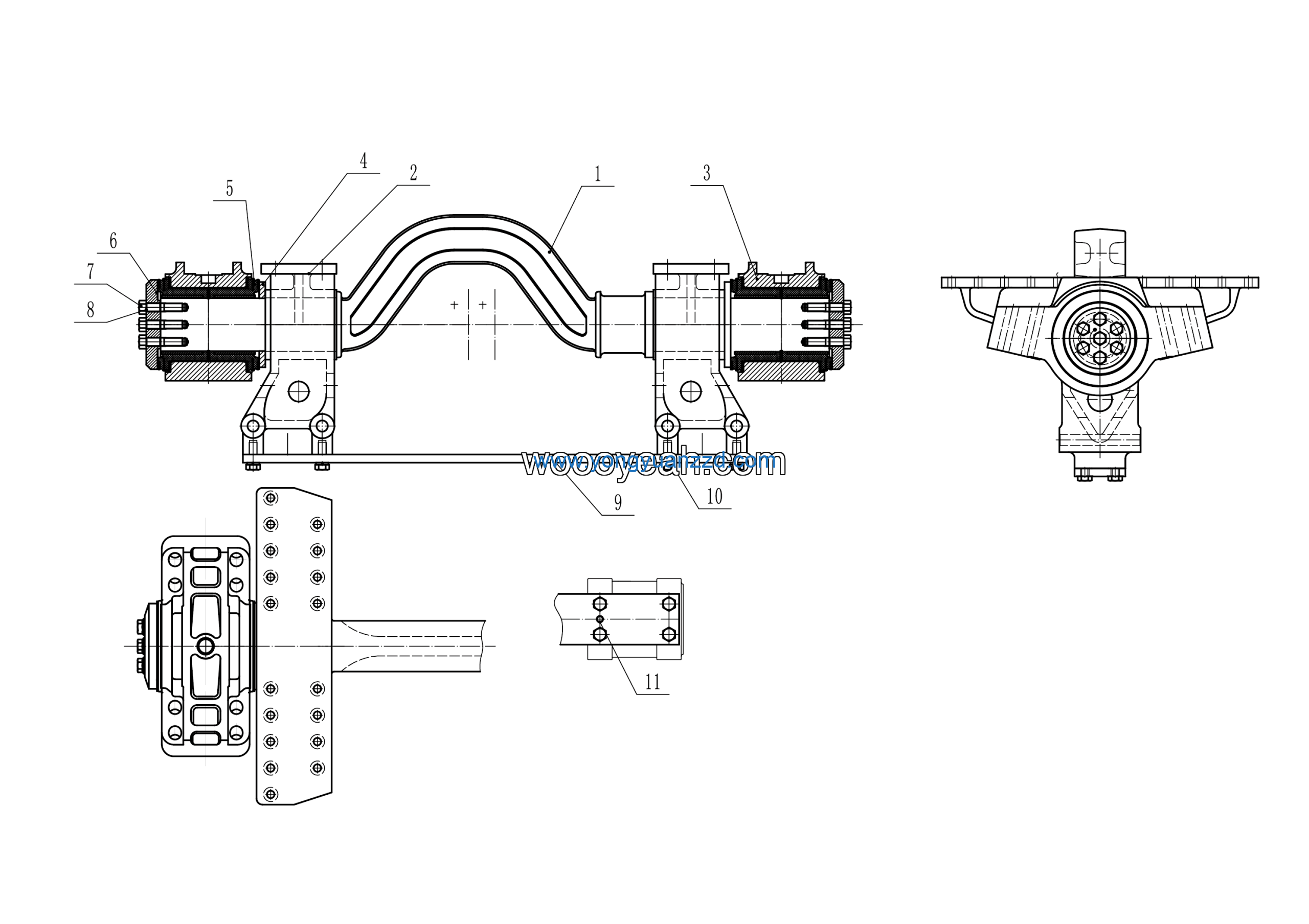
Parts List:
| No. | Part Name | Part Number | Qty |
|---|---|---|---|
| 1 | Bolt & washer set Q151B2050TF2/Q41220F9 | 4110705342010 | 16 |
| 2 | Balance shaft 88029180401 | 4110705342001 | 1 |
| 3 | Balance shaft bracket LW9770520217 | 4110705342002 | 2 |
| 4 | Balance shaft housing 88029180703 | 4110705342003 | 2 |
| 5 | Washer 88029180204 | 4110705342004 | 2 |
| 6 | Flange bush 88029180205 | 4110705342005 | 4 |
| 7 | Flange 88029180106 | 4110705342006 | 2 |
| 8 | Bolt | 4110705342007 | 14 |
| 9 | Anti-loose washer Q41222F9 | 4110705342008 | 28 |
| 10 | Connecting plate LW88029180007 | 4110705342009 | 1 |














