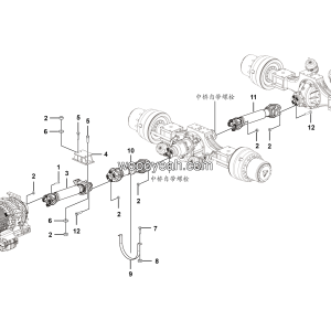
LGMG Off-Highway Dump Truck 2023 – ASM – Gear Pump Assembly – H1501-2715012955.S1A
Category: 2023 > Off-Highway Dump Truck > MT126H > C126HW3A0M005
Parts List:
| No. | Part Name | Part Number | Qty |
|---|---|---|---|
| 1 | Bolt GB5783-M12*35EpZn-10.9 | 4011000596 | 4 |
| 2 | Washer GB97.1-12EpZn-300HV | 4015000168 | 4 |
| 3 | Plug VSTI48X2ED | 4120711213 | 1 |
| 4 | O-ring GB3452.1-54.5*3.55G | 4030100248 | 1 |
| 5 | Suction block welding | 27150129561 | 1 |
| 6 | Butterfly spring clamp φ70-φ92 | 4190708164 | 4 |
| 7 | Oil suction hose 88*6*525 | 27150129641 | 1 |
| 8 | Screw GB70.1-M10*80EpZn-8.8 | 4014000279 | 4 |
| 9 | Screw GB70.1-M12*90EpZn-8.8 | 4014000284 | 4 |
| 10 | Gear pump CBCJLB-F100/F50-B3F9φb[A] | 4120711801 | 1 |
| 11 | O-ring GB3452.1-32.5*3.55G | 4030000026 | 1 |
| 12 | Outlet flange welding | 27150129571 | 1 |
| 13 | Bolt GB16674.1-M10*65EpZn-8.8 | 4011000230 | 4 |
| 14 | O-ring GB3452.1-37.5*3.55G | 4030000029 | 2 |
| 15 | Connector | 27150125331 | 1 |
| 16 | Joint | 4120705606 | 1 |
| 17 | Bolt GB16674.1-M10*40EpZn-8.8 | 4011000163 | 4 |
| 18 | Washera | 27150112891 | 1 |













