LGMG Off-Highway Dump Truck 2023 – Cab electrical system – K1303-2713012026.S1A
Category: 2023 > Off-Highway Dump Truck > CMT96 > C0960WF86
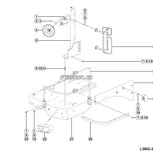
Parts List:
| No. | Part Name | Part Number | Qty |
|---|---|---|---|
| 1 | Warning ceiling lamp rocker switchJK939C | 4130000667 | 1 |
| 2 | Cover plate | 4130000328 | 3 |
| 3 | Mid single frame JK931-01ZKJ | 4130000467 | 9 |
| 4 | Side single Frame JK931-01CKJ | 4130000463 | 6 |
| 5 | Work/position light rocker switch JK939C | 4130000318 | 1 |
| 6 | FR fog lamp rocker switch JK939C | 4130000314 | 1 |
| 7 | Central alarm rocker switch JK939C | 4130000320 | 1 |
| 8 | RR working lamp rocker switch JK939C | 4130000480 | 1 |
| 9 | Parking power rocker switch JK939C | 4130000316 | 1 |
| 10 | Wiper washing rocker switch JK939C | 4130001238 | 1 |
| 11 | Stepping instrument panel-Hybrid | 4130702785 | 1 |
| 12 | Side window wiper rocker switch JK939C | 4130000341 | 1 |
| 13 | Wiper washing rocker switch JK939C | 4130000819 | 1 |
| 14 | Rocker switch JK939C(Differential) | 4130000317 | 1 |
| 15 | Horn rocker switch JK939C | 4130000315 | 1 |
| 16 | Dual tone air horn 379803022309 | 4130000386 | 1 |
| 17 | Bolt GB5783-M6*16EpZn-8.8 | 4011000289 | 2 |
| 18 | Pipe | 27110104052 | 1 |
| 19 | Radio SL-560 | 4130001110 | 1 |
| 20 | Cigarette lighter 8EZ 008 022-01 | 4130000476 | 1 |
| 21 | Lgnition lock assy CMT70 | 4130001191 | 1 |
| 22 | Screw GB846-ST4.8*16-C-H | 4014000071 | 4 |
| 23 | ELEK accelerator pedal 403269 | 4130701363 | 1 |
| 24 | Bolt GB16674.1-M8*16EpZn-8.8 | 4011000461 | 4 |
| 25 | Washer GB97.1-8EpZn-300HV | 4015000072 | 4 |
| 26 | Elec box 202114057 | 4130001007 | 1 |
| 27 | Contactor | 4130701341 | 1 |
| 28 | Screw GB818-M5*16EpZn-4.8 | 4014000088 | 2 |
| 29 | Cage wiring harness | 27130125041 | 1 |
| 30 | Proof harness | 27130119851 | 1 |
| 31 | Telescopic antenna JS3480 | 4130000826 | 1 |
| 32 | Net cover TH103X0307 | 4130000301 | 2 |
| 33 | Washer GB96.1-4EpZn-300HV | 4015000302 | 4 |
| 34 | Speaker GS1033 | 4130001111 | 2 |
| 35 | Harness single hole plate | 27130122871 | 1 |
| 36 | Bolt GB5783-M6*20EpZn-8.8 | 4011000101 | 10 |
| 37 | Washer GB97.1-6EpZn-300HV | 4015000207 | 12 |
| 38 | Plate | 27130118971 | 1 |
| 39 | Screw GB818-M3*12EpZn-4.8 | 4014010073 | 4 |
| 40 | Washer GB97.1-3EpZn-300HV | 4015000200 | 4 |
| 41 | Nut GB6170-M3EpZn-8 | 4013000159 | 4 |
| 42 | Combination switch CS-102621 | 4130001174 | 1 |
| 43 | Manual switch 35240020220 | 4130000924 | 1 |
| 44 | Retarder handle bracket | 27370102281 | 1 |
| 45 | Nut GB6170-M6EpZn-8 | 4013000028 | 3 |
| 46 | Washer GB96.1-6EpZn-300HV | 4015000198 | 8 |
| 47 | Screw GB818-M6*20EpZn-4.8 | 4014000040 | 17 |













