LGMG Off-Highway Dump Truck 2022 – Engine electric system – K3402-2734010068
Category: 2022 > Off-Highway Dump Truck > MT86H- > M086HW3A0A006
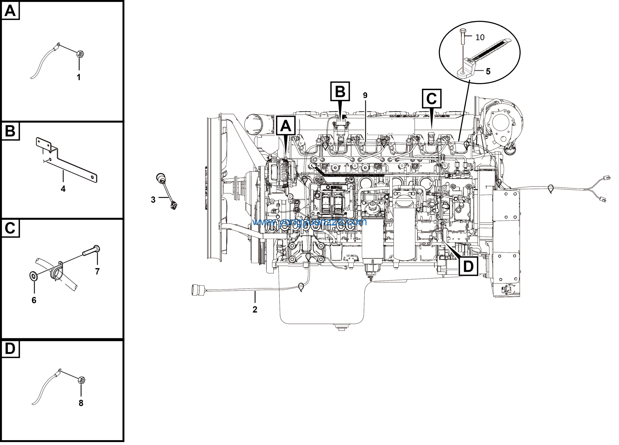
Parts List:
| No. | Part Name | Part Number | Qty |
|---|---|---|---|
| 1 | Bolt GB5783-M8*25EpZn-8.8 | 4011000106 | 4 |
| 2 | Nut GB6170-M8EpZn-8 | 4013000033 | 1 |
| 3 | Engine wiring harness | 27340100691 | 1 |
| 4 | Stop lamp switch YK209KLA | 4130000492 | 1 |
| 5 | Holder | 27340103471 | 1 |
| 6 | Cable tie 14400342 | 4130703098 | 4 |
| 7 | Washer GB97.1-8EpZn-300HV | 4015000072 | 7 |
| 8 | Bolt GB5783-M8*16EpZn-8.8 | 4011000102 | 2 |
| 9 | Nut GB6170-M10EpZn-8 | 4013000007 | 1 |
| 10 | Engine wiring harness fixed system | 27340101511 | 1 |











