LGMG Off-Highway Dump Truck 2024 – Air filter assy – A1800-2718010952.S1C
Category: 2024 > Off-Highway Dump Truck > CMT96 > C0960WG16
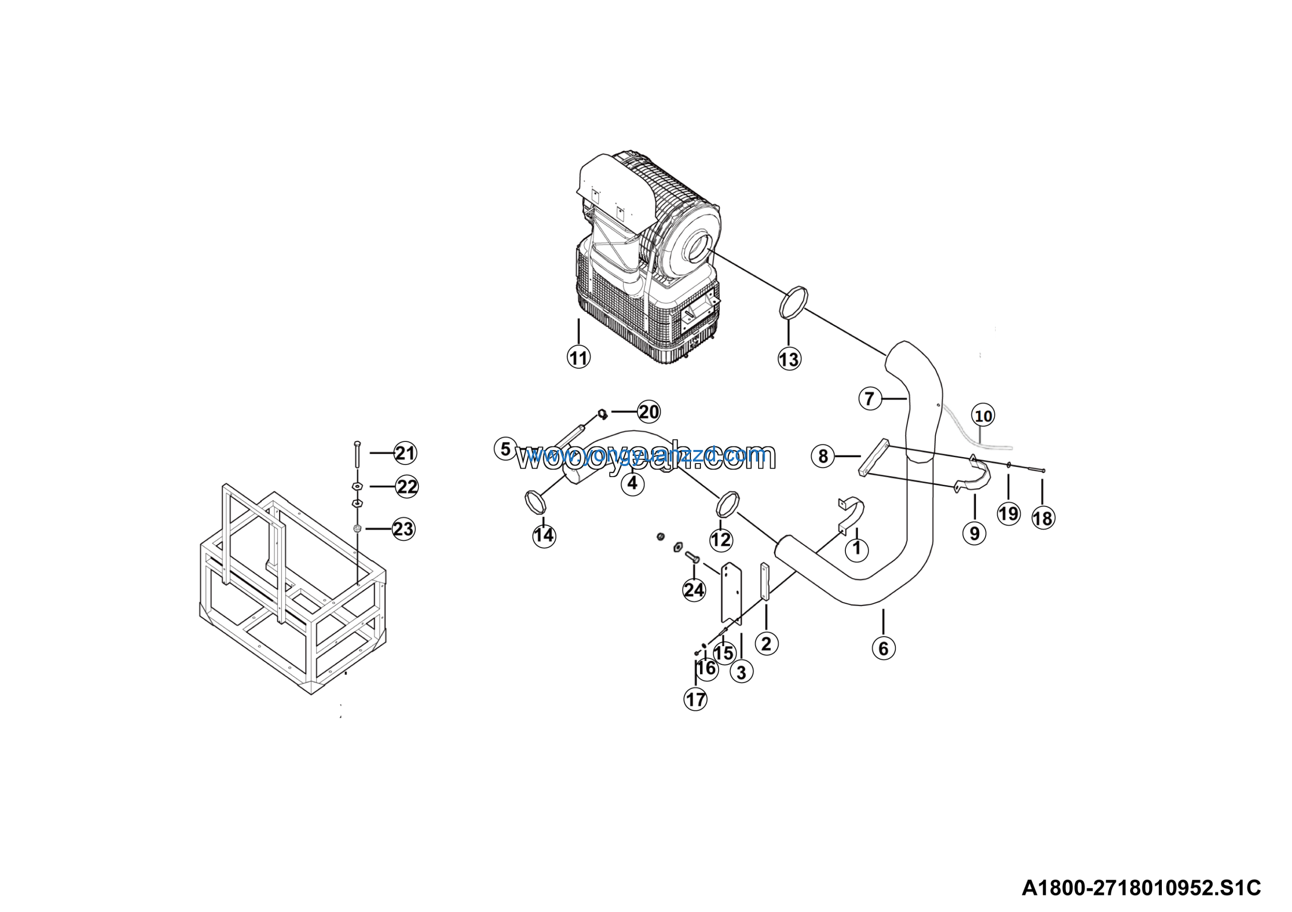
Parts List:
| No. | Part Name | Part Number | Qty |
|---|---|---|---|
| 1 | CAB WIRE | 27200109531 | 1 |
| 2 | Oil bath air filter mounting assy 3560 | 4110705470 | 1 |
| 3 | T-Hoop φ148-φ156 | 4190002629 | 2 |
| 4 | T-bolt clamp φ188-φ196 | 4190002630 | 1 |
| 5 | T-Hoop φ132-φ140 | 4190703914 | 1 |
| 6 | Bolt GB5782-M10*50EpZn-8.8 | 4011000048 | 2 |
| 7 | Washer GB97.1-10EpZn-300HV | 4015000162 | 4 |
| 8 | Nut GB6185.1-M10EpZn-8 | 4013010119 | 6 |
| 9 | Bolt GB5782-M10*90EpZn-8.8 | 4011000053 | 2 |
| 10 | Washer GB96.1-10EpZn-300HV | 4015000197 | 6 |
| 11 | Clamp | 27180102911 | 1 |
| 12 | Hose clamp JB8870-D40 | 4017000008 | 2 |
| 13 | Bolt GB5782-M12*110EpZn-8.8 | 4011000262 | 6 |
| 14 | Washer GB96.1-12EpZn-300HV | 4015000186 | 12 |
| 15 | Nut GB6185.1-M12EpZn-8 | 4013010120 | 6 |
| 16 | Bolt GB5782-M10*35EpZn-8.8 | 4011010164 | 2 |
| 17 | PLATE | 27180104241 | 1 |
| 18 | PLATE | 27180104681 | 1 |
| 19 | Pipe | 27180106921 | 1 |
| 20 | Air compressor intake pipe | 27180111471 | 1 |
| 21 | Pipe | 27180109431 | 1 |
| 22 | Intake hose | 27180109483 | 1 |
| 23 | Rubber pad | 27180109531 | 1 |
| 24 | Palte | 27180109541 | 1 |












