LGMG Off-Highway Dump Truck 2024 – Bracket assy 01 – H1501-2715014692.S1A
Category: 2024 > Off-Highway Dump Truck > KT25 > M0250Y3E0M102
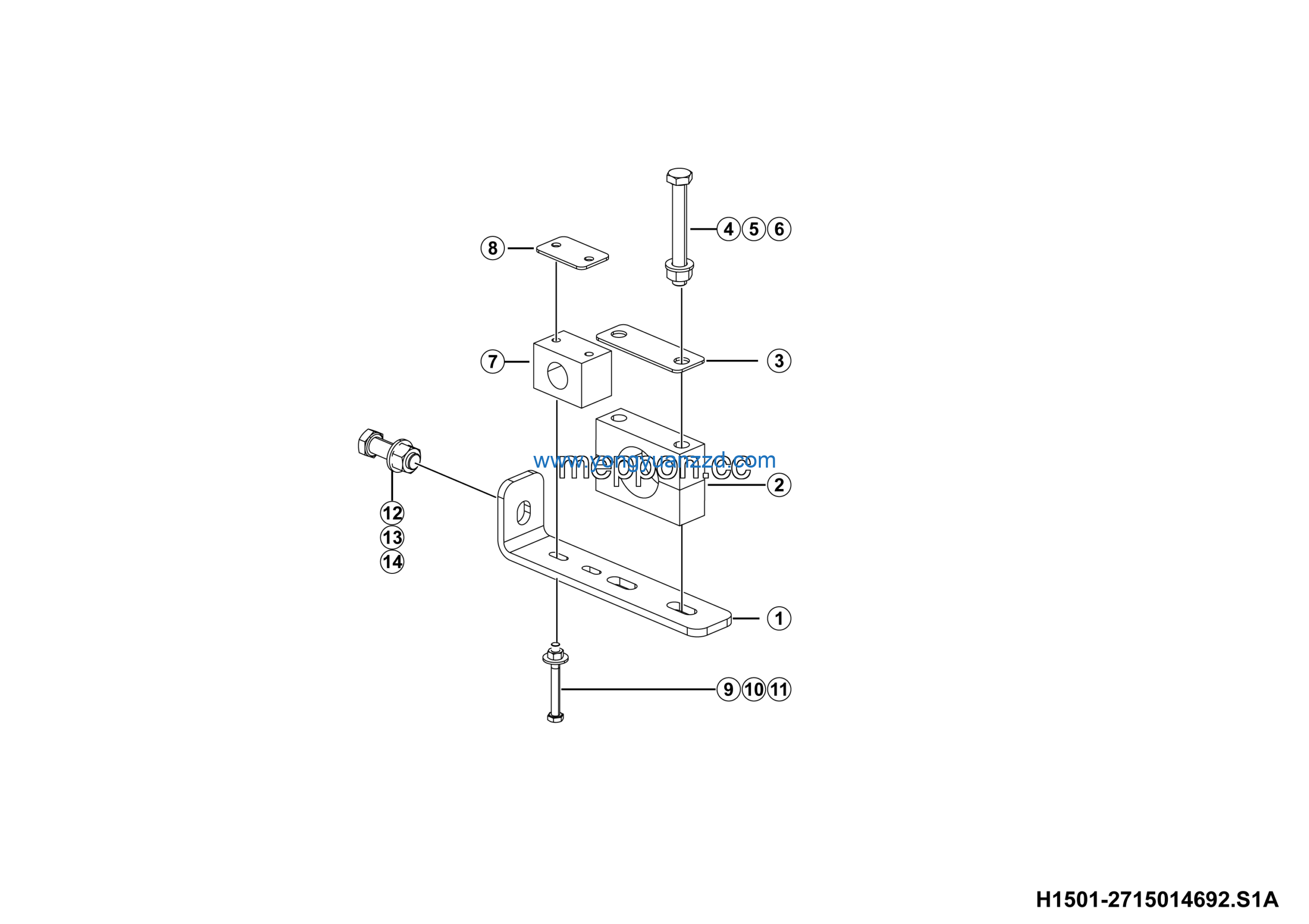
Parts List:
| No. | Part Name | Part Number | Qty |
|---|---|---|---|
| 1 | Washer GB96.1-6flZnyc-300HV-480 | 4015010296 | 2 |
| 2 | Nut GB6170-M6flZnyc-8-480 | 4013010293 | 2 |
| 3 | Bolt gb5783-m12*40-a4-70 | 4011011771 | 1 |
| 4 | Washer GB96.1-12flZnyc-300HV-480 | 4015010286 | 1 |
| 5 | Nut gb6185.1-m12-10-a4-70 | 4013010577 | 1 |
| 6 | Bracket 200*40*56 | 27150138231 | 1 |
| 7 | Pipe clamp 84*25*28 | 27150138241 | 2 |
| 8 | Cover plate 84*30*2 | 27150138251 | 1 |
| 9 | Bolt gb5783-m10*80-a4-70 | 4011011801 | 2 |
| 10 | Washer gb96.1-10-a4-300hv | 4015010609 | 2 |
| 11 | Nut gb6170-m10-a4-70 | 4013010578 | 2 |
| 12 | Pipe clamp TLPG-320 | 4120713161 | 1 |
| 13 | Blind flange 48*30*3 | 27150132491 | 1 |
| 14 | Bolt GB5782-M6*55flZnyc-8.8-480 | 4011010920 | 2 |











