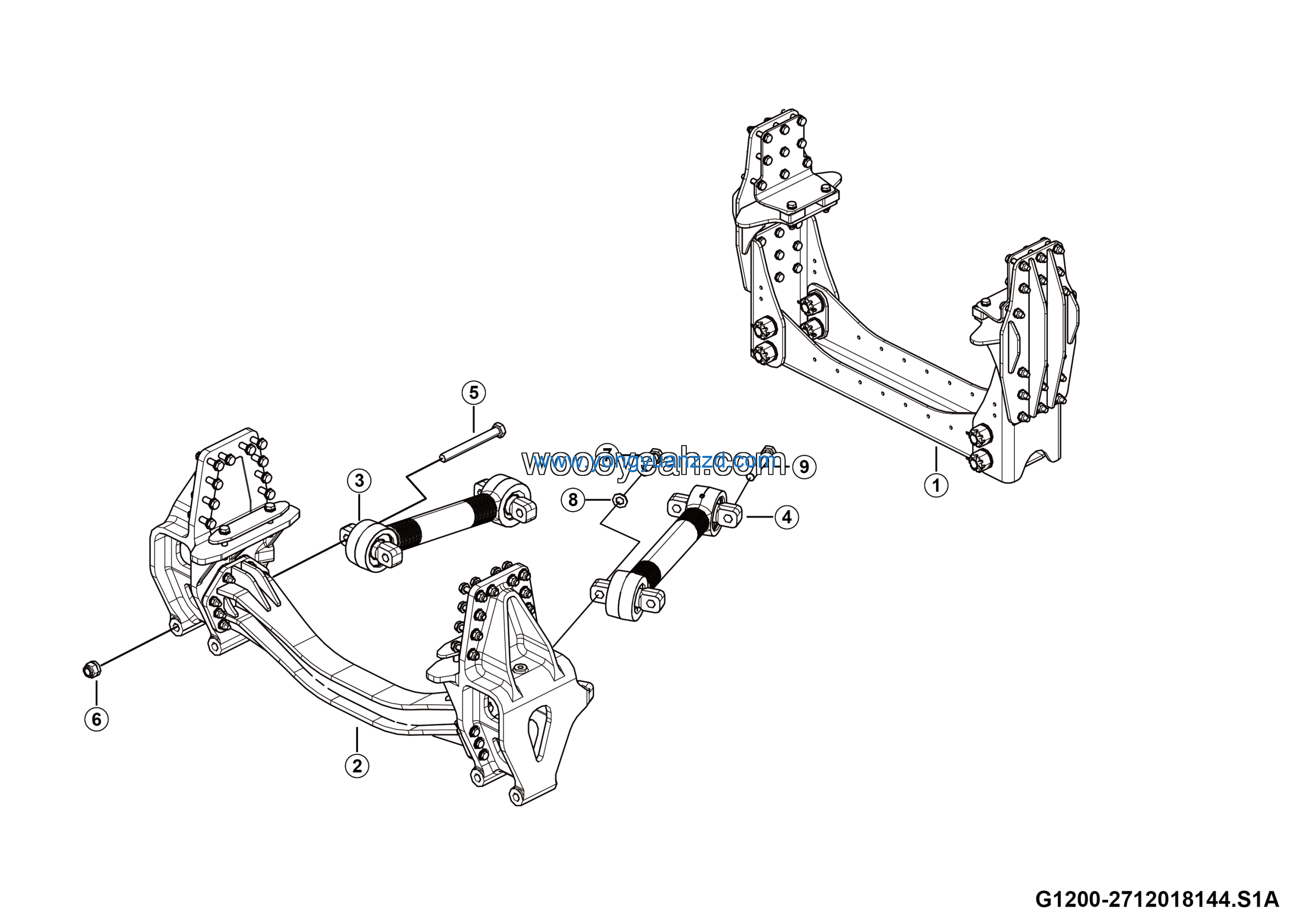
LGMG Off-Highway Dump Truck 2024 – FR guide mechanism installation – G1200-2712018144.S1A
Category: 2024 > Off-Highway Dump Truck > MT106H > M106HW3E0M003
Parts List:
| No. | Part Name | Part Number | Qty |
|---|---|---|---|
| 1 | Crossbeam 2 assy | 27120181451 | 1 |
| 2 | Seat assembly | 27120174481 | 1 |
| 3 | Lower thrust rod assy LG12-601 | 4110703195 | 2 |
| 4 | Upr thrust rod assy LG12-698 | 4110703194 | 2 |
| 5 | BOLT GB5782-M27*240-12.9 | 4011011154 | 4 |
| 6 | Hexangular self-locking nut with the shoulder M27 | 27120103881 | 8 |
| 7 | BOLT GB5783-M27*100flZnyc-12.9-480 | 4011010767 | 8 |
| 8 | Washer | 27120104921 | 12 |
| 9 | Bolt GB5782-M27*160flZnyc-12.9-480 | 4011011220 | 4 |











