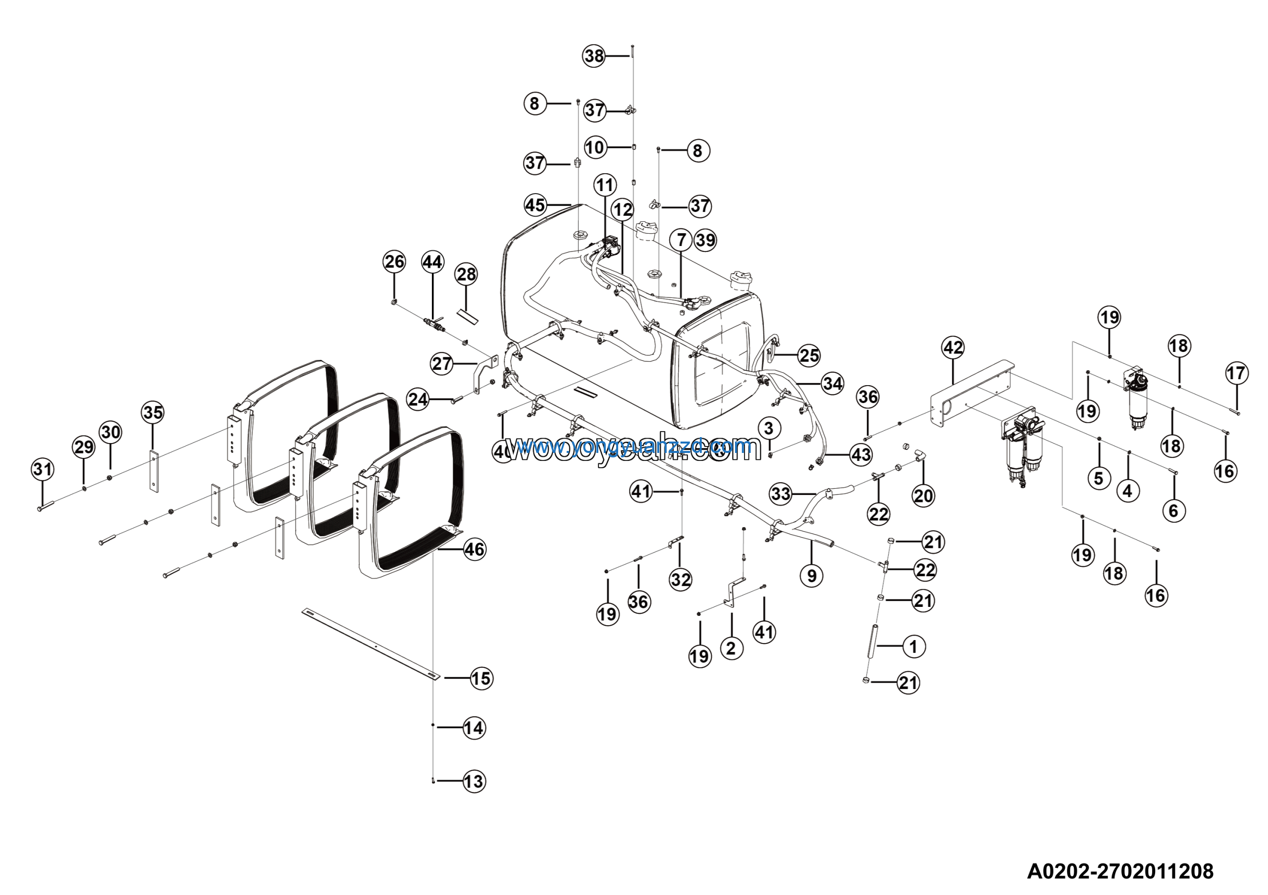
LGMG Off-Highway Dump Truck 2024 – Fuel tank assembly – A0202-2702011208
Category: 2024 > Off-Highway Dump Truck > MT106H > M106HW3A0M351
Parts List:
| No. | Part Name | Part Number | Qty |
|---|---|---|---|
| 1 | 调整座20*25 | 27020110501 | 2 |
| 2 | pipe | 2702011038-004 | 1 |
| 3 | Oil inlet pipe 22*4-1650 | 2702011043-002 | 1 |
| 4 | Bolt GB5782-M8*30EpZn-8.8 | 4011010172 | 3 |
| 5 | Nut GB6185.1-M8EpZn-8 | 4013010118 | 3 |
| 6 | Horizontal strap LG02-HLD-01 | 4190708658 | 1 |
| 7 | Bolt GB16674.1-M10*40EpZn-8.8 | 4011000163 | 4 |
| 8 | Bolt GB5782-M10*70flZnyc-8.8-480 | 4011010825 | 2 |
| 9 | Washer GB97.1-10EpZn-300HV | 4015000162 | 5 |
| 10 | Nut GB6177.1-M10flZnyc-8-480 | 4013010375 | 43 |
| 11 | Connecting water pipe 30*5*240 | 27020112161 | 1 |
| 12 | Pipe | 27020110711 | 1 |
| 13 | Butterfly spring clamp φ25-φ45 | 4190708159 | 9 |
| 14 | Pipe 20*1.5-100 | 27020109451 | 2 |
| 15 | Nylon large tie strap HS-J118 | 4130705870 | 9 |
| 16 | Bolt GB5782-M16*70EpZn-10.9 | 4011000824 | 1 |
| 17 | Tube | 27020111671 | 1 |
| 18 | Hose clamp JB8870-D32 | 4017000011 | 2 |
| 19 | Ball valve bracke | 27020111251 | 1 |
| 20 | Cable protector | 27140108701 | 2 |
| 21 | Washer GB97.1-16EpZn-300HV | 4015000181 | 6 |
| 22 | Bracket 140*120*30 | 27020110111 | 1 |
| 23 | Nut GB6185.1-M16EpZn-10 | 4013010136 | 7 |
| 24 | Bolt GB5782-M16*110EpZn-10.9 | 4011000730 | 6 |
| 25 | Plate | 27010113352 | 15 |
| 26 | Water pipe 20*5*5400 | 2702011139-003 | 1 |
| 27 | Fuel hose IV | 2702010412-001 | 1 |
| 28 | Backing plate | 27020101971 | 3 |
| 29 | Bolt GB16674.1-M10*50EpZn-8.8 | 4011000309 | 14 |
| 30 | Cable tie HS-J117 | 4130704969 | 14 |
| 31 | Bolt GB5782-M8*75flZnyc-8.8-480 | 4011010995 | 1 |
| 32 | Oil pipe of main drop pipe 22*4-950 | 2702011046-004 | 1 |
| 33 | Hose clamp JB8870-D20 | 4017000010 | 11 |
| 34 | BOLT GB16674.1-M10*60flZnyc-10.9-480 | 4011011520 | 1 |
| 35 | Bolt GB16674.1-M10*30flZnyc-8.8-480 | 4011010712 | 22 |
| 36 | Part | 27020111411 | 1 |
| 37 | PIPE | 2702010246-004 | 1 |
| 38 | Valve assembly | 27210103841 | 1 |
| 39 | Aluminum alloy dual chamber fuel tank 730L LG02-RYX-016 | 4110706641 | 1 |
| 40 | Bracket assy LG02-TJ-01 | 4190708647 | 1 |
| 41 | Washer GB97.1-12EpZn-300HV | 4015000168 | 2 |
| 42 | Nut GB6185.1-M12EpZn-8 | 4013010120 | 2 |
| 43 | Bolt GB5783-M12*55EpZn-8.8 | 4011000254 | 2 |
| 44 | Main fuel tank YouTube 22*4-950 | 2702011046-003 | 1 |
| 45 | Bolt GB16674.1-M10*25flZnyc-8.8-480 | 4011011015 | 2 |
| 46 | Water pipe 20*5*4900 | 2702011138-003 | 1 |












