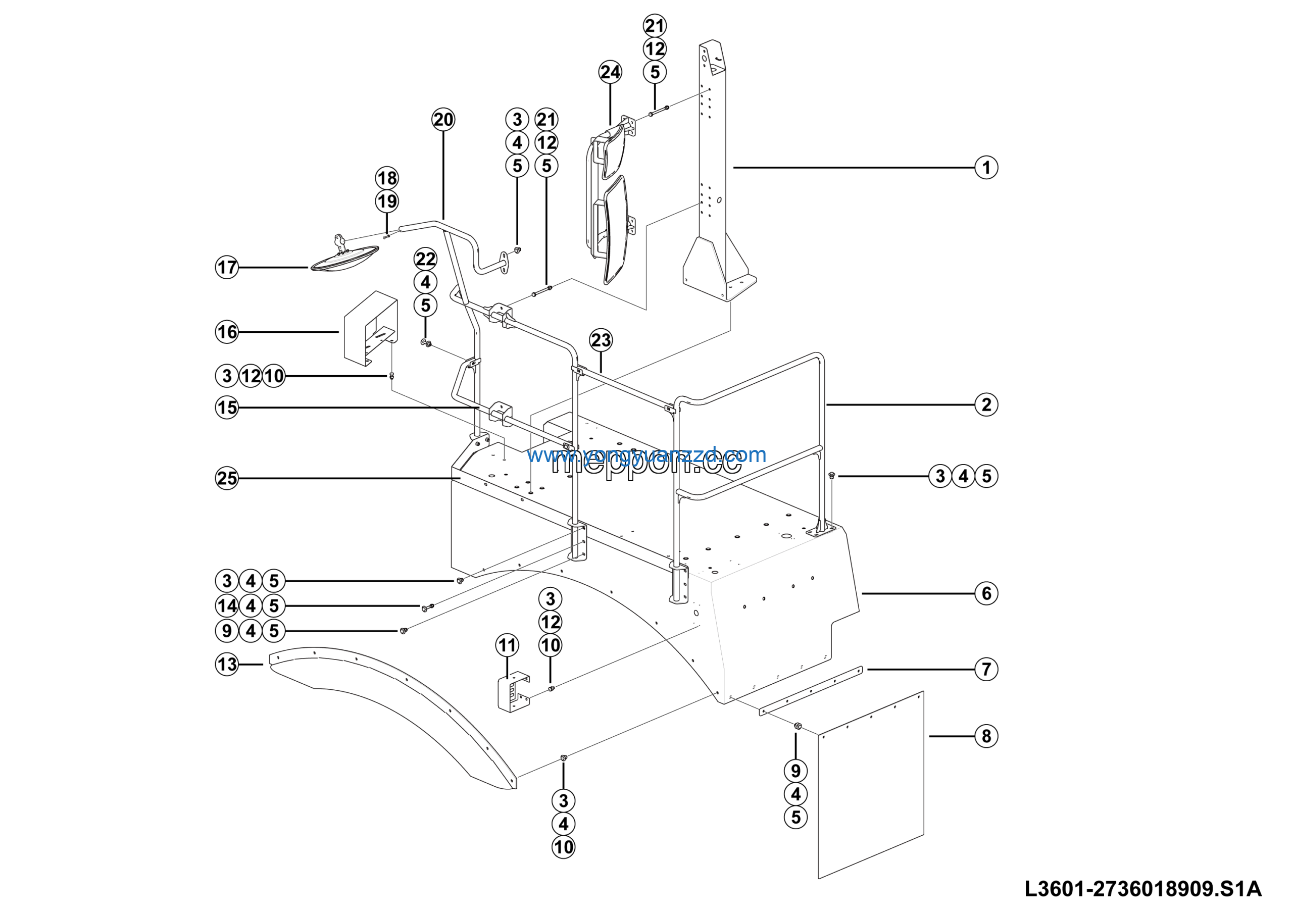
LGMG Off-Highway Dump Truck 2024 – LH walkway assy – L3601-2736018909.S1A

Category:

LGMG Off-Highway Dump Truck 2024 – LH walkway assy – L3601-2736018909.S1A

Category: 2024 > Off-Highway Dump Truck > CMT96 > C0960WG15

Parts List:

No. Part Name Part Number Qty
1 Nut GB6170-M10EpZn-8 4013000007 15
2 Support 27360121251 1
3 Washer GB97.1-10EpZn-300HV 4015000162 24
4 Left wheel cover 27360108021 1
5 Bolt GB5782-M10*65EpZn-8.8 4011000497 6
6 Right beam 27360155431 1
7 Plate 27360135001 1
8 RH FR under view mirror 4190001367 1
9 Bolt GB5783-M6*35EpZn-8.8 4011000286 1
10 Nut GB6170-M6EpZn-8 4013000028 1
11 Rearview mirror mounting beam 27360155511 1
12 Lh guardrail wldmt 27360188961 1
13 Bolt GB5782-M10*125EpZn-8.8 4011010193 16
14 Bolt GB5782-M10*55EpZn-8.8 4011000049 4
15 Tube 27*3*685 27360189021 1
16 Left mirror assembly 27360146661 1
17 Plate 1842*417*70 27360162231 1
18 Rr guardrail wldmt 27360188971 1
19 Bolt GB5783-M10*25EpZn-8.8 4011000082 27
20 Washer GB96.1-10EpZn-300HV 4015000197 51
21 Nut GB6185.1-M10EpZn-8 4013010119 51
22 Lh walkway wldmt 27360188791 1
23 Plate 27360137101 1
24 Plate 27360137091 1
25 Bolt GB5783-M10*30EpZn-8.8 4011000084 13