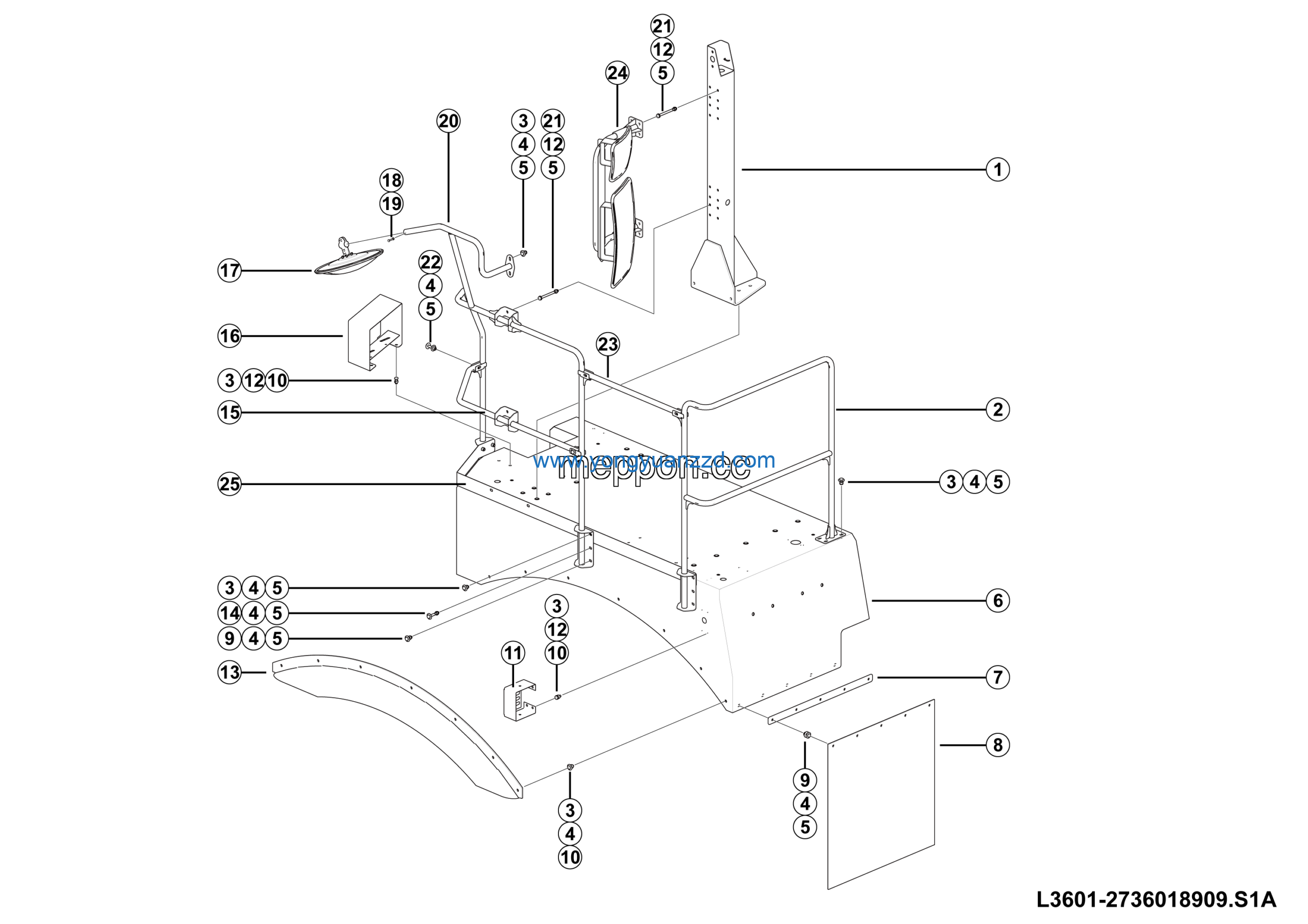
LGMG Off-Highway Dump Truck 2024 – LH walkway assy – L3601-2736018909.S1A
Category: 2024 > Off-Highway Dump Truck > CMT96 > C0960WG15
Parts List:
| No. | Part Name | Part Number | Qty |
|---|---|---|---|
| 1 | Nut GB6170-M10EpZn-8 | 4013000007 | 15 |
| 2 | Support | 27360121251 | 1 |
| 3 | Washer GB97.1-10EpZn-300HV | 4015000162 | 24 |
| 4 | Left wheel cover | 27360108021 | 1 |
| 5 | Bolt GB5782-M10*65EpZn-8.8 | 4011000497 | 6 |
| 6 | Right beam | 27360155431 | 1 |
| 7 | Plate | 27360135001 | 1 |
| 8 | RH FR under view mirror | 4190001367 | 1 |
| 9 | Bolt GB5783-M6*35EpZn-8.8 | 4011000286 | 1 |
| 10 | Nut GB6170-M6EpZn-8 | 4013000028 | 1 |
| 11 | Rearview mirror mounting beam | 27360155511 | 1 |
| 12 | Lh guardrail wldmt | 27360188961 | 1 |
| 13 | Bolt GB5782-M10*125EpZn-8.8 | 4011010193 | 16 |
| 14 | Bolt GB5782-M10*55EpZn-8.8 | 4011000049 | 4 |
| 15 | Tube 27*3*685 | 27360189021 | 1 |
| 16 | Left mirror assembly | 27360146661 | 1 |
| 17 | Plate 1842*417*70 | 27360162231 | 1 |
| 18 | Rr guardrail wldmt | 27360188971 | 1 |
| 19 | Bolt GB5783-M10*25EpZn-8.8 | 4011000082 | 27 |
| 20 | Washer GB96.1-10EpZn-300HV | 4015000197 | 51 |
| 21 | Nut GB6185.1-M10EpZn-8 | 4013010119 | 51 |
| 22 | Lh walkway wldmt | 27360188791 | 1 |
| 23 | Plate | 27360137101 | 1 |
| 24 | Plate | 27360137091 | 1 |
| 25 | Bolt GB5783-M10*30EpZn-8.8 | 4011000084 | 13 |











