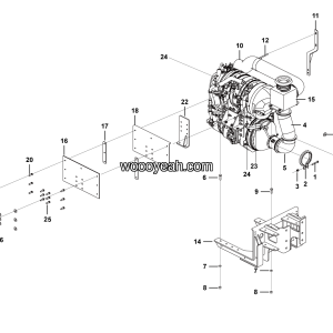
LGMG Off-Highway Dump Truck 2024 – RR torque rod installation – G1201-2712017595.S1C-G1
Category: 2024 > Off-Highway Dump Truck > MT116H > M116HY3A0M004
Parts List:
| No. | Part Name | Part Number | Qty |
|---|---|---|---|
| 1 | Self-locking nut with the shoulder | 27120103611 | 16 |
| 2 | Transverse thrust rod | 4110705693 | 2 |
| 3 | Seat assembly | 27120174581 | 1 |
| 4 | BOLT GB5782-M24*215FLZNYC-12.9-480 | 4110001231 | 4 |
| 5 | Washer GB1230-24EpZn-45 | 4015000003 | 4 |
| 6 | Seat assembly | 27120174591 | 1 |
| 7 | Plate | 27120123591 | 4 |
| 8 | Lower thrust rod LG12-XTLG-763 | 4110702875 | 4 |
| 9 | Bolt GB5782-M27*180flZnyc-12.9-480 | 4011010563 | 8 |
| 10 | Spacer sleeve | 27120105031 | 8 |
| 11 | Hexangular self-locking nut with the shoulder M27 | 27120103881 | 12 |
| 12 | Bolt M27*3*330-12.9 | 27120103721 | 4 |
| 13 | UPPER THE THRUST ROD ASSEMBLY | 4110706877 | 2 |
| 14 | Rear suspension mount | 27120177071 | 1 |
| 15 | Bolt GB5782-M24*140-flZnyc-12.9-480 | 4011010760 | 12 |
| 16 | Lock washer NL24-G | 4190707582 | 8 |












