LGMG RTH100 2025 – Elec holder assy – L2002-2720021852.S1A
Category: 2025 > RTH100 > R1000Y3A0A231
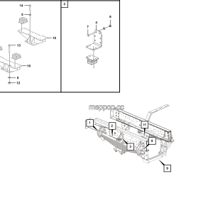
Parts List:
| No. | Part Name | Part Number | Qty |
|---|---|---|---|
| 1 | Nut GB6185.1-M16flZnyc-12-480 | 4013010251 | 12 |
| 2 | Bolt GB5783-M16*35flZnyc-10.9-480 | 4011010864 | 12 |
| 3 | Low voltage battery holder assy | 27200219441 | 1 |
| 4 | Bolt GB5783-M10*20flZnyc-8.8-480 | 4011010748 | 19 |
| 5 | Washer GB97.1-10flZnyc-300HV-480 | 4015010339 | 19 |
| 6 | Bolt GB5782-M10*45flZnyc-8.8-480 | 4011011053 | 3 |
| 7 | Washer GB96.1-10flZnyc-300HV-480 | 4015010278 | 6 |
| 8 | Nut GB6185.1-M10flZnyc-8-480 | 4013010292 | 3 |
| 9 | High voltage cable guard wldmt | 27200210561 | 1 |
| 10 | Guard wldmt | 27200216761 | 1 |
| 11 | Battery box assy | 27200213061 | 1 |
| 12 | Bolt GB16674.1-M10*20flZnyc-8.8-480 | 4011010993 | 6 |
| 13 | Low voltage cable rr cover plate wldmt | 27200186671 | 1 |
| 14 | Battery tray wldmt | 27200195301 | 1 |
| 15 | High voltage cable guard wldmt | 27200210541 | 1 |
| 16 | Washer GB97.1-16flZnyc-300HV-480 | 4015010287 | 12 |
| 17 | Bolt GB5782-M16*95flZnyc-12.9-480 | 4011010580 | 12 |
| 18 | Washer GB96.1-16flZnyc-300HV-480 | 4015010334 | 24 |
| 19 | Spacer sleeve 38*10.5*30 | 27140211001 | 12 |












