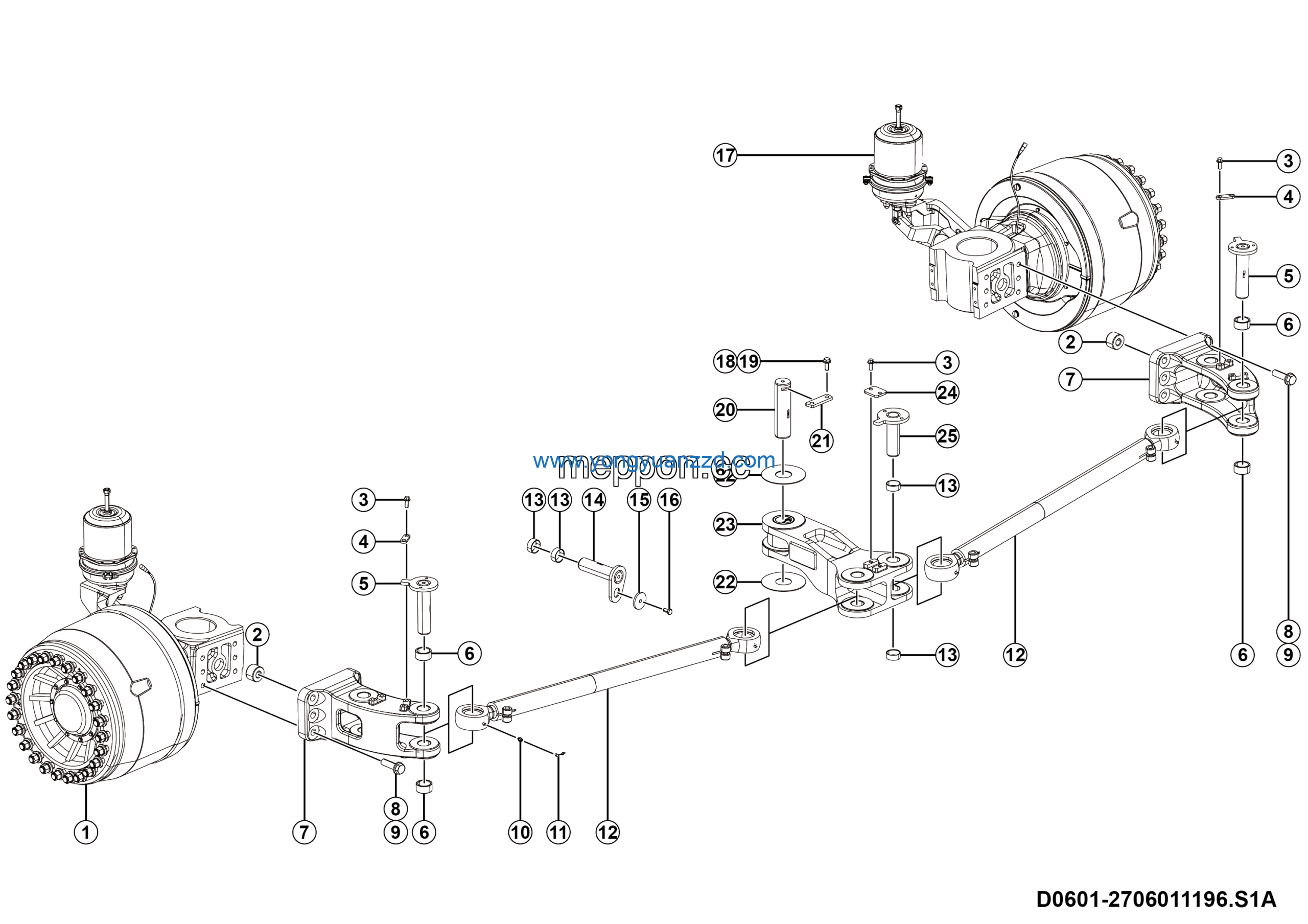
LGMG RTH100 2025 – Front axle installation px35t (w/ wheel rpm sensor) – D0601-2706011196.S1A

Category:

LGMG RTH100 2025 – Front axle installation px35t (w/ wheel rpm sensor) – D0601-2706011196.S1A

Category: 2025 > RTH100 > R1000Y3A0A230

Parts List:

No. Part Name Part Number Qty
1 Grease nipple JB7940.1-M10*1 4030000065 4
2 Butter nozzle cap JXHF-00006 4120000015 4
3 Steering tie rod assy1101.5*φ60 4110708066 2
4 Sleeve 27060106361 8
5 Center pin wldmt 27060109101 2
6 Pin hold-down plate 55*10 27120178351 2
7 Bolt GB5783-M10*20flZnyc-10.9-480 4011010880 2
8 Rh front axle assy px35t abs 4110708675 1
9 Bolt GB5783-M12*30flZnyc-12.9-480 4011010610 2
10 Washer GB97.1-12flZnyc-300HV-480 4015010340 2
11 Lh front axle assy px35t abs 4110708674 1
12 Pin shaft 50*188 27140227141 1
13 Stop plate 100*30*8 27140227151 1
14 Shim 140*50*2 27140220201 2
15 Center arm assy 27140220051 1
16 Plate 27060107081 1
17 Pin 27060106991 2
18 Pin 27120116241 2
19 Bolt GB16674.1-M10*25flZnyc-10.9-480 4011011623 10
20 Plate 27060107071 4
21 Pin 27060106971 4
22 Sleeve 27060106351 8
23 Steering arm 27060106931 2
24 Bolt 5783-M20*1.5*70flZnyc-12.9-480 4011011450 12
25 Washer GB1230-20flzncy-45-480 4015010546 12