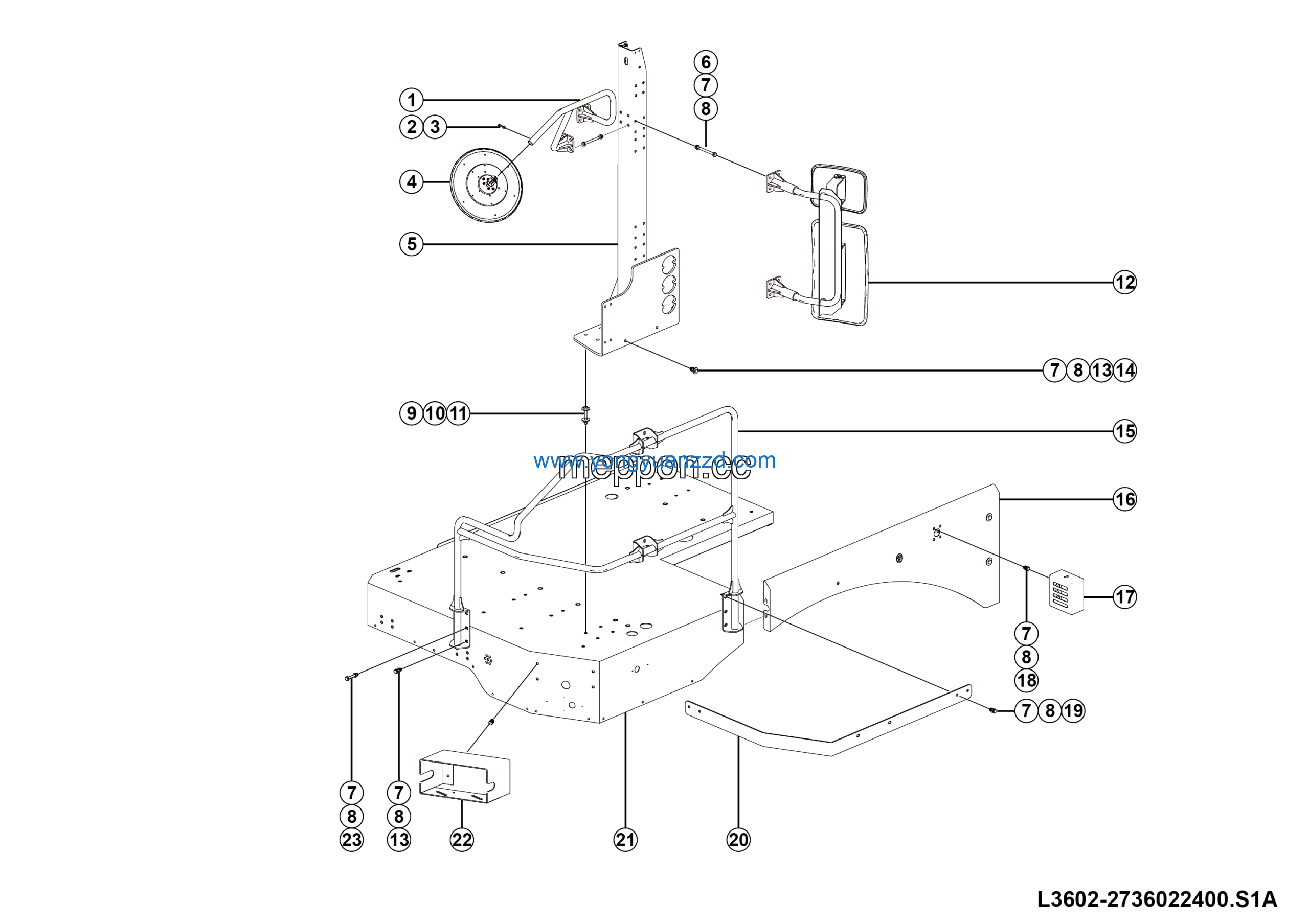
LGMG RTH100 2025 – Lh walkway assy – L3602-2736022400.S1A
Category: 2025 > RTH100 > R1000Y3A0A223
Parts List:
| No. | Part Name | Part Number | Qty |
|---|---|---|---|
| 1 | Washer GB96.1-12flZnyc-300HV-480 | 4015010286 | 8 |
| 2 | Nut GB6185.1-M12flZnyc-10-480 | 4013010379 | 4 |
| 3 | Lh rearview mirror installation | 27360219261 | 1 |
| 4 | Bolt GB5783-M10*35flZnyc-8.8-480 | 4011010727 | 6 |
| 5 | Washer GB96.1-10flZnyc-300HV-480 | 4015010278 | 2 |
| 6 | Lh handrail wldmt | 27360202231 | 1 |
| 7 | Lh walkway extension installation | 27360201961 | 1 |
| 8 | Rearward illumination light shield | 27360167361 | 1 |
| 9 | Bolt GB5783-M10*25flznyc-8.8-480 | 4011010722 | 4 |
| 10 | Bolt GB5783-M10*30flznyc-8.8-480 | 4011010707 | 8 |
| 11 | Lh rearview mirror bracket wldmt | 27360184941 | 1 |
| 12 | Lh guard | 27360202261 | 1 |
| 13 | Lh walkway wldmt | 27360223981 | 1 |
| 14 | Plate | 27360126373 | 1 |
| 15 | Bolt GB5783-M10*70flZnyc-8.8-480 | 4011011342 | 4 |
| 16 | Bolt GB5783-M6*35flZnyc-8.8-480 | 4011010998 | 1 |
| 17 | Nut GB6170-M6flZnyc-8-480 | 4013010293 | 1 |
| 18 | Rearview mirror sl-723b | 4190711961 | 1 |
| 19 | Lh column wldmt | 27360219911 | 1 |
| 20 | Bolt GB5782-M10*125flZnyc-8.8-480 | 4011011182 | 24 |
| 21 | Washer GB97.1-10flZnyc-300HV-480 | 4015010339 | 90 |
| 22 | Nut GB6185.1-M10flZnyc-8-480 | 4013010292 | 46 |
| 23 | Bolt GB5782-M12*80flZnyc-10.9-480 | 4011011763 | 4 |











