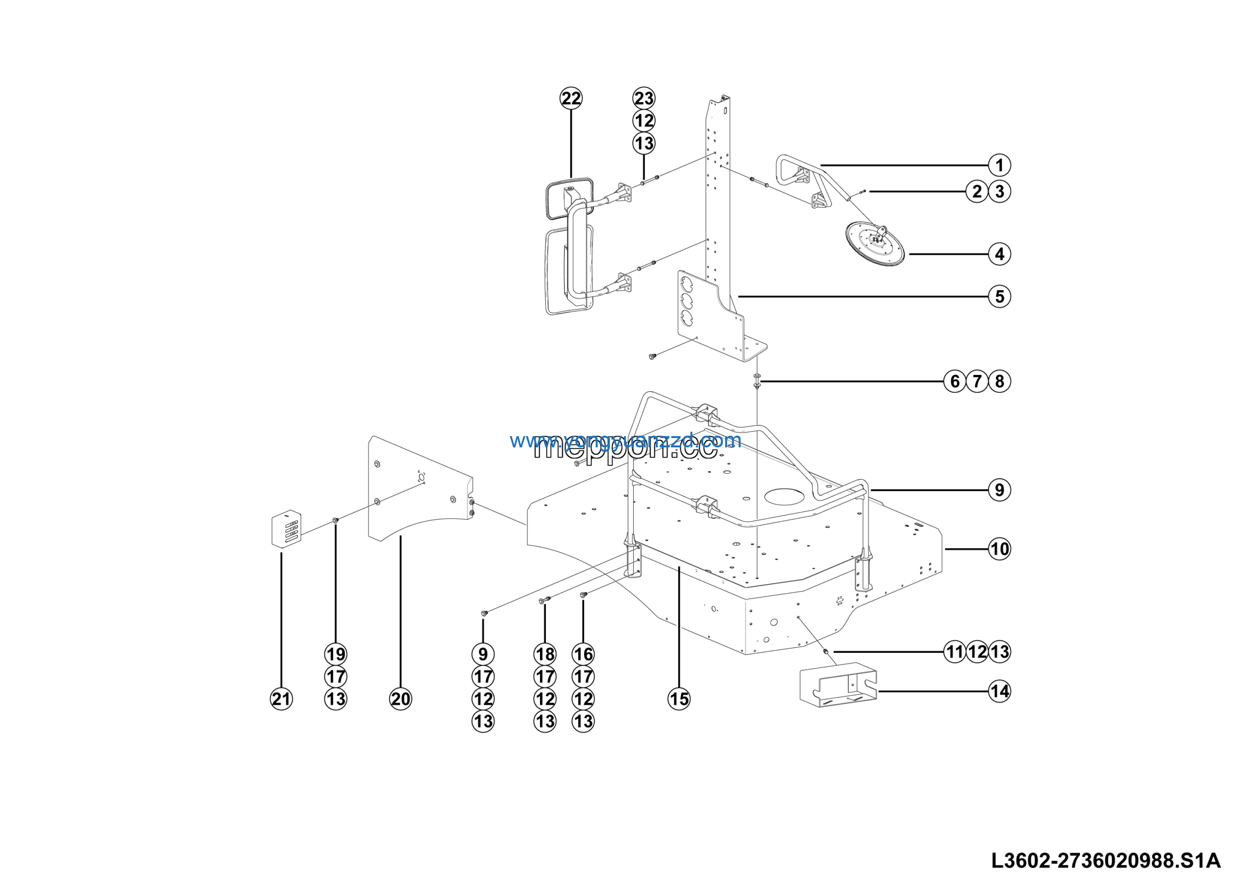
LGMG RTH100 2025 – Rh walkway assy – L3602-2736020988.S1A
Category: 2025 > RTH100 > R1000Y3A0A231
Parts List:
| No. | Part Name | Part Number | Qty |
|---|---|---|---|
| 1 | Rh walkway wldmt | 27360209891 | 1 |
| 2 | Bolt GB5783-M10*30flznyc-8.8-480 | 4011010707 | 7 |
| 3 | Washer GB97.1-10flZnyc-300HV-480 | 4015010339 | 66 |
| 4 | Nut GB6185.1-M10flZnyc-8-480 | 4013010292 | 46 |
| 5 | Plate | 27360126393 | 1 |
| 6 | Rh guard 1131*823.5*70*5 | 27360210321 | 1 |
| 7 | Bolt GB5783-M10*35flZnyc-8.8-480 | 4011010727 | 6 |
| 8 | Washer GB96.1-10flZnyc-300HV-480 | 4015010278 | 26 |
| 9 | Bolt GB5783-M10*70flZnyc-8.8-480 | 4011011342 | 4 |
| 10 | Bolt GB5783-M10*25flznyc-8.8-480 | 4011010722 | 5 |
| 11 | Right rearview mirror bracket weldment | 27360167101 | 1 |
| 12 | Rh walkway extension installation | 27360202011 | 1 |
| 13 | Rearward illumination light shield | 27360167361 | 1 |
| 14 | Right mirror assy | 27360121901 | 1 |
| 15 | Bolt GB5782-M10*125flZnyc-8.8-480 | 4011011182 | 24 |
| 16 | Bolt GB5783-M6*35flZnyc-8.8-480 | 4011010998 | 1 |
| 17 | Nut GB6185.1-M6flZnyc-8-480 | 4013010414 | 1 |
| 18 | RH FR under view mirror HY-360A | 4190707435 | 1 |
| 19 | Rh rearview mirror column wldmt | 27360209921 | 1 |
| 20 | Bolt GB5782-M12*80flZnyc-10.9-480 | 4011011763 | 4 |
| 21 | Washer GB96.1-12flZnyc-300HV-480 | 4015010286 | 8 |
| 22 | Nut GB6185.1-M12flZnyc-10-480 | 4013010379 | 4 |
| 23 | Rh handrail wldmt | 27360210271 | 1 |












