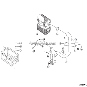
LGMG Off-Highway Dump Truck 2024 – Pipe clamp assy – H1501-2715013612.S1A
Category: 2024 > Off-Highway Dump Truck > CMT96H > C096HW3E0A002
Parts List:
| No. | Part Name | Part Number | Qty |
|---|---|---|---|
| 1 | Nut GB6170-M12EpZn-8 | 4013000011 | 1 |
| 2 | Bracket 295*30*95 | 27150136131 | 1 |
| 3 | Plate | 27150109961 | 2 |
| 4 | Pipe rubber clamp 120*46*30 | 27150136001 | 1 |
| 5 | Rubber clip | 27150109992 | 1 |
| 6 | Bolt GB5782-M10*110EpZn-8.8 | 4011000797 | 2 |
| 7 | Washer GB97.1-10EpZn-300HV | 4015000162 | 2 |
| 8 | Nut GB6170-M10EpZn-8 | 4013000007 | 2 |
| 9 | Bolt GB5783-M12*50EpZn-8.8 | 4011000092 | 1 |
| 10 | Washer GB97.1-12EpZn-300HV | 4015000168 | 1 |










